Bosch BME690 Shuttle Board 3.0

Bosch BME690 Shuttle Board 3.0 is a printed circuit board (PCB) with a pre-mounted BME690 Air Quality (gas, pressure, temperature, and humidity) Sensor. Used in conjunction with the Bosch Application Board 3.x, the shuttle board evaluates the signal outputs provided by the sensor itself or additional outputs generated by the BSEC Library for the sensor. The shuttle board allows easy access to the sensor pins via a simple socket and can be directly plugged into the Application Board 3.x. Typically, the Bosch BME690 Shuttle Board 3.0 validates temperature, humidity, pressure, and Index for Air Quality (IAQ).

Features

  • PCB with the BME690 air quality sensor pre-mounted
  • Evaluates the signal outputs provided by the sensor and additional outputs generated by the BSEC Library (Software Download)
  • Easy access to sensor pins via a simple socket
  • Plugs directly into the Application Board 3.x
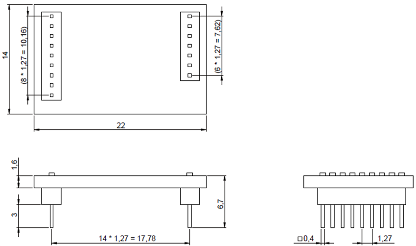
  • 22mm x 20mm x 1.7mm in size

Applications

  • Smart homes
  • Wearables

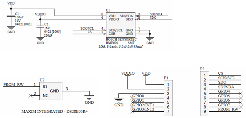
Electrical Layout

Mechanical Drawing - Bosch BME690 Shuttle Board 3.0

Dimensions: mm

Mechanical Drawing - Bosch BME690 Shuttle Board 3.0
發佈日期: 2025-01-02 | 更新日期: 2025-07-16