Bourns SM51589PEL LAN 10/100/1000 Base-T Transformer

Bourns SM51589PEL LAN 10/100/1000 Base-T Transformer (PoE) Module is a single-port, potted construction LAN 10/100/1000 Base-T transformer that is designed for Ethernet applications with PoE function. This model features an extended operating temperature range from -40 to +85°C with unique 5kVrms isolation voltage. Bourns SM51589PEL LAN 10/100/1000 Base-T Transformer (PoE) Module can be used as an alternate component to the existing Model SM51589EL.

Features

  • Compliant with IEEE802.3 standards
  • Designed for 10/100/1000 Base-T and PoE
  • 5KVAC dielectric withstanding voltage
  • RoHS compliant

Applications

  • LAN
  • Ethernet
  • Power over Ethernet - PoE

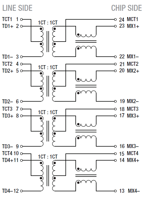
Schematic

Schematic - Bourns SM51589PEL LAN 10/100/1000 Base-T Transformer
發佈日期: 2014-12-10 | 更新日期: 2024-06-19