Bourns RSJ Riedon™ DC Ammeter Shunt Resistor
Bourns RSJ Riedon™ DC Ammeter Shunt Resistor provides a rugged and accurate measurement for a wide current range. The resistor features a center-mounted voltage tap to simplify connection to ammeters and a Manganin™ resistive element to achieve low resistance values. The RSJ series offers a compact design for space-constrained applications requiring high current ratings and a non-inductive metal element construction. The Bourns RSJ Riedon DC Ammeter Shunt Resistor is ideal for various power applications, including industrial power supplies, uninterruptible power supply (UPS) systems, and inverters.Features
- Former Riedon product
- Manganin resistive element
- Non-inductive metal element
- Center-mounted voltage taps
- High-current ratings
- Low resistance values
- 0.25% tolerance rating
- Compact design for space-constrained applications
- UL listed, RoHS compliant
Applications
- Industrial power supplies
- UPS systems
- Inverters
Specifications
- 1500A to 6000A rated current range
- 1000A to 4000A operating current range
- 50mV or 100mV rated output ratings
- 0.0083mΩ to 0.033mΩ resistance range at 50mV output
- 0.016mΩ to 0.067mΩ resistance range at 100mV output
- 15ppm to 20ppm TCR
- -40°C to +100°C operating temperature range
- -55°C to +125°C storage temperature range
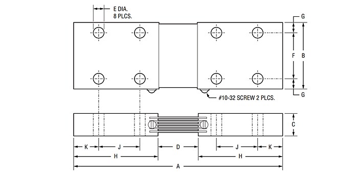
Mechanical Drawing
發佈日期: 2024-08-26
| 更新日期: 2024-08-26
