Bourns RSN Riedon™ DC Ammeter Shunt Resistors
Bourns RSN Riedon™ DC Ammeter Shunt Resistors provide rugged and accurate measurement for a wide current range. The resistors feature a center-mounted voltage tap to simplify connection to ammeters and a Manganin™ resistive element to achieve low resistance values. The RSN series offers a compact design for space-constrained applications requiring high current ratings and a non-inductive metal element construction. The Bourns RSN Riedon DC Ammeter Shunt Resistors are ideal for various power applications, including power supplies, power converters, and current measurements.Features
- Former Riedon product
- Manganin resistive element
- Non-inductive metal element
- Center-mounted voltage taps
- High-current ratings
- Low resistance values
- 0.1% tolerance rating
- Compact design for space-constrained applications
- UL listed, RoHS compliant
Applications
- Power supplies
- Power converters
- Current measurements
Specifications
- 1A to 500A rated current range
- 0.667A to 333.3A operating current range
- 50mV or 100mV rated output ratings
- 0.10mΩ to 50mΩ resistance range at 50mV output
- 0.2mΩ to 100mΩ resistance range at 100mV output
- 15ppm to 20ppm TCR
- -30°C to +70°C operating temperature range
- -55°C to +80°C storage temperature range
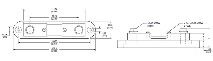
Mechanical Drawing
發佈日期: 2024-08-26
| 更新日期: 2024-08-26
