Bourns RSW Riedon™ Precision Current Shunt Resistors
Bourns RSW Riedon™ Precision Current Shunt Resistors provide rugged and accurate measurement for a wide current range. The resistors feature a center-mounted voltage tap to simplify connection to ammeters and a Manganin™ resistive element to achieve low resistance values. The RSW series offers a compact design for space-constrained applications requiring high current ratings and a non-inductive metal element construction. The Bourns RSW Riedon Precision Current Shunt Resistors are ideal for various power and industrial applications, including battery management systems (BMS), power supplies/converters, solar generators, wind power, electroplating, mining, and battery chargers.Features
- Former Riedon product
- Manganin resistive element
- Non-inductive metal element
- Center-mounted voltage taps
- High-current ratings
- Low resistance values
- 0.25% standard tolerance rating
- Compact design for space-constrained applications
- UL listed, RoHS compliant
Applications
- BMS
- Power supplies
- Power converters (AC/DC)
- Solar generators, wind power
- Battery chargers
- Heavy industry
- Electroplating
- Mining
Specifications
- 5A to 200A rated current range
- 3.33A to 133.33A operating current range
- 0.25mΩ to 10mΩ resistance range at 50mV output
- 50mV rated output rating
- 15ppm to 20ppm TCR
- -40°C to +70°C operating temperature range
- -55°C to +80°C storage temperature range
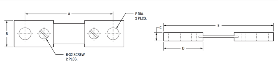
Mechanical Drawing
發佈日期: 2024-08-26
| 更新日期: 2024-08-26
