![]() 檢視產品清單進一步瞭解Bourns Komatsulite迷你斷路器 其他資源: Overcoming Circuit Protection Challenges in Lithium Battery CellOperated Electronics Bourns Model SA微型可復式溫度保險絲(TCO)裝置Bourns Model SA微型可復式溫度保險絲(TCO)裝置或斷路器係專為表面黏著的回流焊接製程所設計。SA系列可回流焊接在PCB上,60°C下的電流載流能力為6A至最高11A。這些TCO採用極薄型封裝,最高高度僅1.09mm。這些裝置可承受一般的濕度環境,採用高抗腐蝕性的雙金屬機構。SA系列符合RoHS標準,並獲得UL認可,其應用包括筆記型電腦、平板電腦和智慧型手機的電池組保護,也可用於為USB type C纜線提供過熱保護。
產品特色
應用
|
結構![]() |
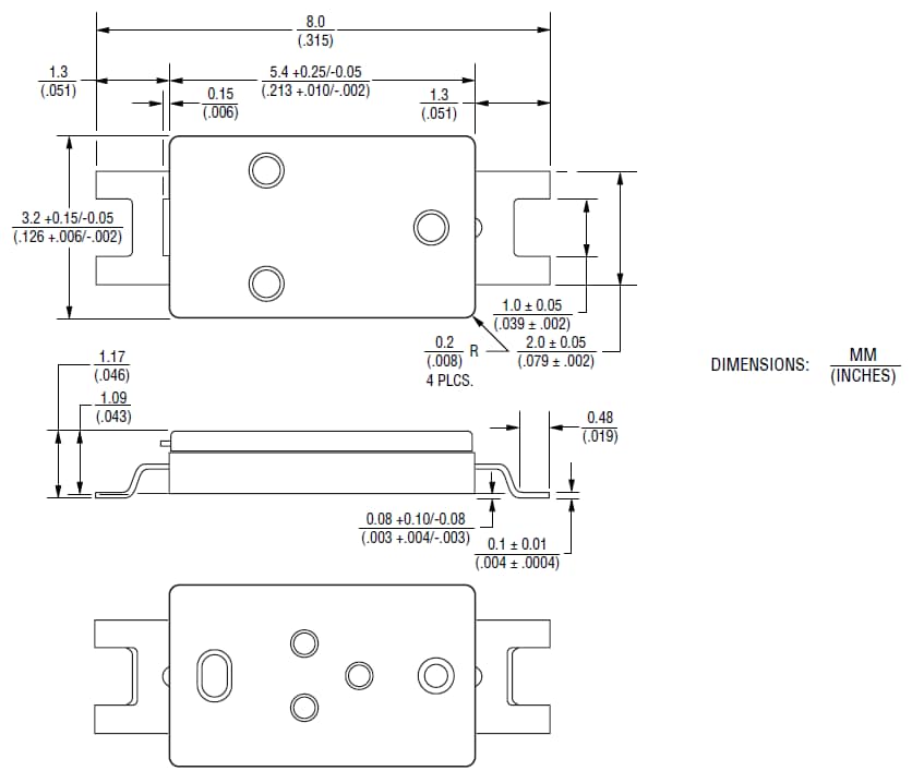
尺寸![]() |
電路圖![]() |
![]() |
發佈日期: 2017-03-28
| 更新日期: 2022-03-11






