Chemi-Con KXL Ultra-Mini Aluminum Electrolytic Capacitors

Chemi-Con KXL Ultra-Miniature Aluminum Electrolytic Capacitors (AECs) provide 10,000 to 12,000 hours of operation at +105°C. Chemi-Con KXL AECs are down-sized from the KXJ series and are ideal for high-reliability applications, such as LEDs, chargers, buck-boost converters, and miniature switching power supplies. The endurance of the KXL series is boosted by a proprietary electrolyte along with aluminum foils, optimizing the internal structure. This 10mm to 18mm diameter, high voltage (up to 450VDC) AEC series is ideal for areas where the KXJ series may be too large.

Features

  • Down-sized from the KXJ series
  • 400VDC to 450VDC rated voltage range
  • 15µF to 150µF capacitance
  • ±20%capacitance tolerance
  • 190mA to 930mA ripple current range
  • 10,000 to 12,000 hours of endurance at +105°C with ripple current
  • Non-solvent resistant type
  • RoHS2 compliant

Applications

  • Ballast lighting/LED lighting
  • Chargers
  • Miniature buck-boost converters
  • Miniature SMPS

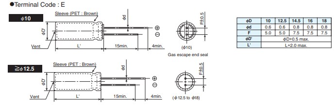
Dimensions (mm)

Mechanical Drawing - Chemi-Con KXL Ultra-Mini Aluminum Electrolytic Capacitors
發佈日期: 2018-03-27 | 更新日期: 2023-08-10