Stewart Connector / Cinch Connectivity Solutions RJ45 Resistor Terminating Plugs
Stewart Connector / Cinch RJ45 Resistor Terminating Plugs feature a 120Ω to 47kΩ resistance range and are used to terminate open ports and protect network integrity from unwanted interference. The cable-mount plugs are constructed with a clear polycarbonate body that is UL 94-V0 rated, copper alloy contacts with selective gold plating, and 50μ" (1.27μm) contact plating in the mating area. Stewart Connector / Cinch RJ45 Resistor Terminating Plugs are RoHS compliant.
Features
- Protects network integrity from unwanted interference
- Used to terminate open ports
- 120Ω to 47kΩ resistance range
- Clear polycarbonate plug body, UL 94-V0
- Copper alloy contacts, selective gold plating
- 50μ" (1.27μm) contact plating in mating area
- Cable mount
- RoHS compliant
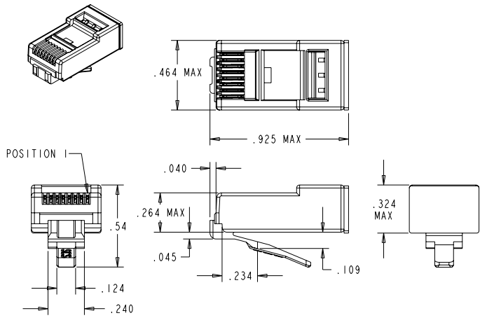
Dimensions (In)
發佈日期: 2022-10-18
| 更新日期: 2026-01-15
