Coto Technology C236S CotoMOS® High-Current MOSFET Relay
Coto Technology C236S CotoMOS® High-Current MOSFET Relay is a 4-pin SOP solid-state relay that is ideal for high-current applications. The C236S series features a high current switching capability and a low ON resistance rating. The relay provides a 60V load handling capability and a 150pF output capacitance. The Coto Technology C236S CotoMOS High-Current MOSFET Relay is designed for automatic test equipment (ATE), industrial controls, instrumentation, and measurement equipment applications.Features
- 1A contact form
- Low ON-resistance
- Low off-state leakage current
- Arc-free with no snubbing circuits
- High-reliability solid-state design
- RoHS compliant
Applications
- ATE
- Industrial controls
- Instrumentation
- Measurement equipment
Specifications
- 50mA continuous LED current rating
- 1000mA peak LED current rating
- 5V LED reverse voltage
- 75mW input power dissipation
- 60VDC output load voltage rating
- 2.5A output load current rating
- 5A peak output load current rating
- 400mW output power dissipation
- 500mW total power dissipation
- 1500Vrms I/O breakdown voltage
- -40°C to +85°C operating temperature range
- -40°C to +100°C storage temperature range
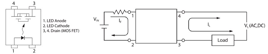
Schematic & Wiring Diagram
發佈日期: 2024-06-17
| 更新日期: 2024-10-15
