CUI Inc P78B-2000 2A Non-Isolated DC-DC Converters
CUI Inc P78B-2000 2A Non-Isolated DC-DC Converters are designed as a high-performance alternative to linear regulators. The CUI P78B-2000 compact DC-DC converter series is housed in a compact SIP package and pin-compatible with LM78xx model regulators. These low-ripple and low-noise devices do not require a heat sink, making the series ideal for applications where board space is at a premium and energy efficiency is a concern.Features
- 2A current output
- Pin-compatible with LM78xx linear regulators
- -40°C to +85°C operating temperature
- 4.75VDC to 36VDC input voltage range
- Continuous short-circuit protection
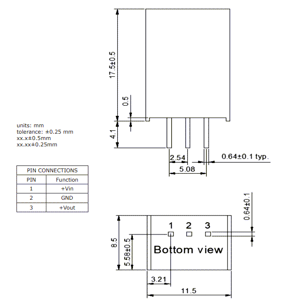
- Compact SIP3 package
- Low ripple and noise
- Designed to meet EN/IEC 62368-1 standards
Applications
- Space-constrained, energy-efficient designs
- Industrial
- Telecom
- Portable electronics
Specifications
- Input voltage
- 24VDC typical
- 4.75VDC to 36VDC range
- 1.8VDC to 15VDC output voltage range
- 2000A maximum output current
- 5W to 30W maximum output power
- 50MVp-p to 75mVp-p maximum ripple noise
- Up to 96% typical efficiency
Mechanical Drawing
EMC Recommended Circuit
發佈日期: 2025-04-17
| 更新日期: 2025-04-23
