CUI Inc PBO超纖巧AC-DC電源
CUI PBO超纖巧開放框架AC-DC電源提供80%的典型效率,以及85至264VAC或70至400VDC的寬輸入電壓範圍,適用於高電壓DC-DC系統。這些超纖巧CUI電源尺寸小至35mm x 11mm x 18mm,並採用開放框架SIP封裝。PBO提供輸出電壓為3.3、5、9、12、15和24VDC。5W型號提供-25°C至+85°C溫度範圍,1W和3W版本提供-40°C至+85°C範圍。PBO-3和PBO-5為輸出絕緣提供3000VAC輸入。PBO-3-B系列是3W電源,具有直角配置。這些CUI電源符合UL60950-1/EN 60950-1標準,並符合針對傳導和放射輻射的EN55022 B級限值,包含過電流和短路保護。PBO電源應用廣泛,包括工業系統、自動化設、安防、電訊及智能家居裝置。特點
- 3W or 5W continuous power
- Available in straight-pin and bent-pin configurations (3W models)
- Ultra-compact SIP package
- 85 to 264VAC or 70 to 400VDC input voltage range
- Overcurrent and short-circuit protection
- 3000VAC isolation
- UL 60950-1, CE safety approvals
- Efficiency up to 79%
- 3.3 to 24VDC output voltage
應用
- Industrial systems
- Automation equipment
- Security
- Telecommunications
- Smart home devices
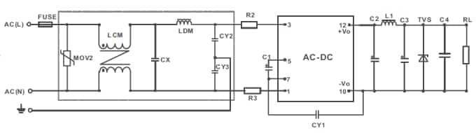
PBO-5 Application Circuit
PBO-3 Application Circuit
PBO-1 Application Circuit
發佈日期: 2016-11-14
| 更新日期: 2022-03-11
