Diodes Incorporated AL5873Q Automotive LED Driver
Diodes Incorporated AL5873Q Automotive LED Driver is a 3-channel linear driver with PWM (Pulse Width Modulation) dimming and analog dimming control. Each of the three channels can drive up to 250mA with a combined driving current up to 750mA. The current of each channel is set by two reference resistors connected to the REF1 and REF2 pins. The AL5873Q regulates LED current for each channel, accurate down to ±4%, with excellent dimming performance. The AL5873Q enters standby mode to save power if no PWM signal is detected.The AL5873Q monitors the temperature and reduces the LED current if its juncture temperature exceeds the threshold temperature. For improved system robustness, the AL5783Q has input under-voltage lock-out (UVLO), LED string-open /-short protection, and over-temperature protection (OTP), which are reported by a fault indicator (FAULTB) pin.
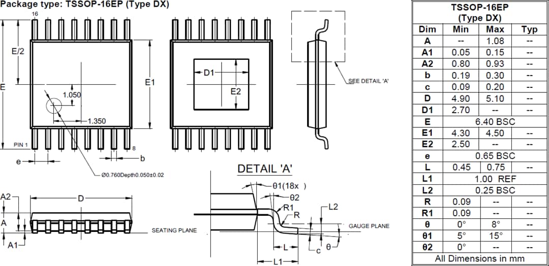
The Diodes Incorporated AL5873Q LED Driver is available in a TSSOP-16EP (Type DX) package and is AEC-Q100 (Grade 1) qualified for use in automotive applications.
Features
- AEC-Q100 qualified, PPAP capable, and manufactured in IATF 16949 certified facilities
- Wide 5V to 55V input voltage range
- Each channel can provide up to 250mA current
- Stop and Tail current set independently through 2 resistors
- Switch LED current between Stop and Tail function automatically via FULL input
- PWM dimming via both PWM input and power supply
- TSSOP-16EP (Type DX) package
- Totally lead-free and fully RoHS compliant
- Halogen and antimony free; "Green" Device
- Analog dimming via ADIM input
- Automatically enters and exits Standby mode without Enable pin
- Internal Protections
- Input under-voltage lock-out (UVLO)
- LED string-short protection
- LED string-open protection
- Over-temperature protection (OTP)
- Thermal fold-back if chip temperature exceeds the threshold
- Fault Reporting: UVLO, OTP, LED open, and LED short
Applications
- Automotive LED inner lamps
- Rear lights
- Tail and stop lights
- Rear turn indicator
- Parking light
- Fog light
- Reverse light
Block Diagram
Typical Application Circuit
Package Outline
發佈日期: 2021-03-24
| 更新日期: 2022-11-28
