Diodes Incorporated AP3917x Step Down Power Switchers
Diodes Incorporated AP3917x Step-Down Power Switchers are universal AC voltage switchers with a non-isolated buck or offline flyback solution. These Diodes Incorporated power switchers coordinate with a single-winding inductor and provide a low Bill Of Material (BOM) cost solution. The AP3917x switchers feature over-temperature protection, under-voltage lock function, output short protection, overload protection, and open-loop protection. These power switchers include an 8.2V to 8.8V supply voltage range and a -40°C to 125°C ambient temperature range. The AP3917x switchers provide a low audible noise solution with a universal 85VAC to 264VAC input range. These power switchers are ideal for IoT, industrial controls, non-isolated home appliances, standby, and auxiliary.Features
- Various protections
- Over Temperature Protection (OTP)
- Overload Protection (OLP)
- Short Circuit Protection (SCP)
- Open-loop protection
- Undervoltage lock function
- Output short protection
- Frequency modulation to suppress EMI
- Fewer components
- Low audible noise solution
- No-load power consumption
- Totally lead-free and fully RoHS compliant
- Halogen and antimony free
Specifications
- 85VAC to 265VAC universal input range
- -40°C to 125°C operating temperature range
- ±5% constant voltage
- -0.7V to 650V drain pin voltage range
- 520V drain-source voltage
- -65°C to 150°C storage temperature range
- 1W continuous power dissipation at TA = 25°C
Applications
- Non-isolated home appliances
- AC fans
- Rice cookers
- Shavers
- Milk machines
- IoT
- Industrial controls
- Standby and auxiliary
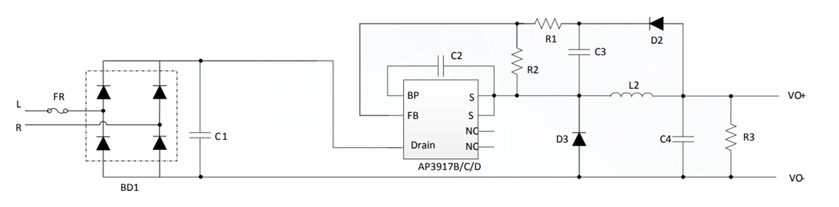
AP3917x Application Circuit
AP3917x Functional Block Diagram
Additional Resources
發佈日期: 2019-09-05
| 更新日期: 2023-07-26
