Diodes Incorporated AL58263Q 16-Channel Automotive LED Driver
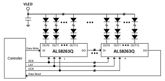
Diodes Incorporated AL58263Q 16-Channel Automotive LED Driver is an AEC-Q100 Grade 1, constant current LED driver with 16-bit grayscale Adaptive Pulse Density Modulation (APDM) PWM. The APDM PWM supports error diagnostics, power-saving functions, and current gain control. This distinctive APDM technology also abates the non-ideal IOUT distortion due to non-symmetric transient responses and enhances the refresh rate by efficiently separating the frame waveform. The Diodes Incorporated AL58263Q is available in the wettable flank W-QFN4040-24/SWP (Type A1) package and specified over the -40°C to +125°C ambient temperature range.AL58263Q operates over a 3V to 5.0V input voltage range, 15V output channel voltage, a fast 25MHz DCK input, and delivers up to 55mA of high accuracy current to each string of LEDs. Each channel's average output current can be programmable independently via a digital interface individually. One external sensing resistor or a 6-bit global current control register could set all channel's output currents. The AL58263Q LED driver has built-in detection/diagnosis and LED open/short, including error detection. Those error results are stored in the register so the MCU can read them out.
Features
- AEC-Q100 Grade 1 qualified, PPAP capable, and manufactured in IATF16949 certified facilities
- 3V to 5.0V input voltage VDD
- Output current range
- 2mA to 55mA/5.0V
- ±0.1% typical output current regulation
- 16-channel constant-current sink output
- 16-Bit grayscale resolution
- 6-Bit global current control
- 15V-rated output channels
- ±1.5% typical LED current accuracy between channels
- ±3% typical LED current accuracy between chips
- Stagger outputs delay for EMI reduction
- Cascaded capability (1440 maximum devices)
- Detection and diagnosis
- Error detection includes LED open, LED short, output port leakage, output short-to-GND, output short-to-power, and REXT short-to-GND
- Pre-over-temperature warning
- 4-wire serial interface +1 (LAT, DI, DO, DCK + GCK)
- 25MHz Data Clock (DCK) frequency for data transfer
- Double-edge grayscale clock up to 16MHZ (GCK)
- External GCK watchdog timer
- Zero data and sleep mode for power-saving
- Register programmable options
- Regular PWM or adaptive pulse density modulation
- Built-in internal PWM or external Gray Scale Clock (GCK)
- Short detection threshold voltage selection (2V/3V/4V/4.5V)
- -40°C to +125°C ambient temperature range
- Wettable flank W-QFN4040-24/SWP (Type A1) package
- Totally lead-free and fully RoHS compliant
- Halogen- and antimony-free, Green device
Applications
- Automotive clusters
- Automotive local dimming displays
- Automotive front and back faceplates
- Automotive center stack displays
- Automotive interior and RGB lighting
- Automotive HVAC control panels
- Automotive gear shifter indicators
- Automotive exterior lighting
Typical Application
Block Diagram
發佈日期: 2024-10-18
| 更新日期: 2024-12-12
