Diotec Semiconductor PT3000T Standard Recovery Rectifier Diode
Diotec Semiconductor PT3000T Standard Recovery Rectifier Diode features high power dissipation and VRRM up to 1000V. This rectifier diode includes UL 94V-0 case material and weighs approximately 1.8g. The PT3000T standard recovery rectifier diode is packaged in 50/1000 tubes/cardboard. This rectifier is RoHS and REACH compliant. The PT3000T standard recovery rectifier diode operates at -50°C to 150°C junction temperature range, <5µA leakage current, and 85pF typical junction capacitance. This rectifier is ideally used in power supplies, polarity protection, commercial/industrial grade, and 50Hz/60Hz mains rectification.Features
- High power dissipation
- VRRM up to 1000V
- RoHS and REACH compliant
- UL 94V-0 case material
Specifications
- <5µA leakage current
- 30A maximum average forward current
- 70A repetitive peak forward current
- 85pF typical junction capacitance
- 260°C/10s solder and assembly conditions
- -50°C to 150°C junction temperature range
- -50°C to 175°C storage temperature range
Applications
- Power supplies
- Polarity protection
- Commercial/industrial grade
- 50Hz/60Hz mains rectification
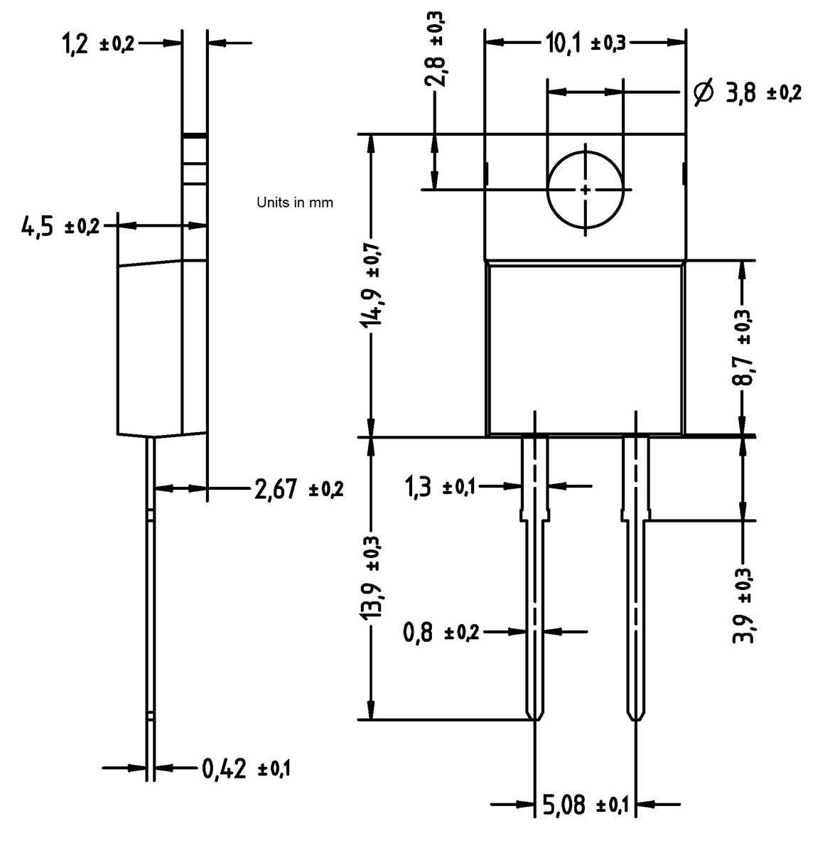
Dimension Diagram
發佈日期: 2023-11-30
| 更新日期: 2023-12-21
