EDATEC ED-IPCx Industrial Computers for Raspberry Pi
EDATEC ED-IPCx Industrial Computers for Raspberry Pi offer various interface options, including multiple USB ports, Ethernet connectivity, and GPIO pins. The devices are fully compatible with the hardware and software ecosystem of Raspberry Pi, allowing for seamless integration and expansion within existing Raspberry Pi setups. Tailored for industrial use, the ED-IPCx computers feature an aluminum-alloy shell that significantly improves heat dissipation performance, ensuring reliable operation even in harsh environments. EDATEC ED-IPCx Industrial Computers have additional encryption chips, a real-time clock (RTC), and other standard modules, providing enhanced security and reliability.
Features
- ED-IPC2000
- Broadcom BCM2711, quad-core Cortex-A72 (ARM v8) 64-bit SoC at 1.5GHz
- 1GB/2GB/4GB/8GB LPDDR4 RAM optional
- 8GB/16GB/32GB eMMC optional and support for a micro-SD card at the same time for storage and wireless
- 1x Gigabit Ethernet, 1x HDMI Type A, 2 x USB 3.0, and 1x USB 2.0 interfaces
- 9VDC to 28VDC input power with reverse polarity, overvoltage and overcurrent protection, DC jack and Phoenix Connection optional, PoE optional
- RTC with CR1220 battery, EEPROM and encryption chip, buzzer, reset button, 2x LED indicators, audio output and microphone optional
- -25°C to +60°C operating temperature range
- Mechanical
- 103mm x 80mm x 35mm (WxDxH)
- 100mm x 80mm x 5mm aluminum heatsink by CNC cut
- Excellent cooling performance, DIN-rail mounting
- ED-IPC2100
- Broadcom BCM2711, quad-core Cortex-A72 (ARM v8) 64-bit SoC at 1.5GHz
- Up to 8GB LPDDR4 RAM and 32GB eMMC storage
- Supports micro SD card and M.2 NVMe SSD storage expansion
- Dual Lan, 1x Gigabit Ethernet and 1x 100M Ethernet
- 4x isolated RS232/485 with electrostatic and surge protection
- 2.4GHz and 5GHz dual-band Wi-Fi, Bluetooth®, and 4G LTE
- Wide voltage power input range of 9VDC to 36VDC with reverse polarity protection, overvoltage protection, and overcurrent protection
- Integrated supercapacitor (backup power supply, optional), RTC, Watch Dog, EEPROM, and crypto authentication
- Wide -25°C to +60°C temperature range for the working environment
- High-quality metal case, compatible with DIN-rail installation
- 24W maximum power consumption
- 143mm x 100mm x 35mm (WxDxH, DIN-rail bracket and antenna are not included)
- ED-IPC2200
- Broadcom BCM2711, quad-core Arm Cortex-A72 (ARM v8) 64-bit SoC at 1.5GHz
- Up to 8GB LPDDR4 RAM and 32GB eMMC storage
- Supports micro-SD card and mSATA SSD storage expansion
- 3x Gigabit Ethernet ports, 1x USB 3.0 port
- 2.4GHz and 5GHz dual-band Wi-Fi, BLUETOOTH, and 4G
- Wide voltage power input range of 9VDC to 36VDC with reverse polarity protection, overvoltage protection, and overcurrent protection
- Integrated supercapacitor (backup power supply, optional), RTC, Watch Dog, EEPROM, and crypto authentication
- Wide -25°C to +60°C temperature range for the working environment
- High-quality metal case, compatible with DIN-rail installation
- 24W maximum power consumption
- 143mm x 100mm x 34mm (WxDxH, DIN-rail bracket and antenna are not included)
- ED-IPC2630
- Broadcom BCM2711, quad-core Arm Cortex-A72 (ARM v8) 64-bit SoC at 1.5GHz
- Up to 8GB LPDDR4 RAM and 32GB eMMC storage
- Supports micro-SD card and M.2 NVMe SSD storage expansion
- Dual Lan, 1x Gigabit Ethernet and 1x 100M Ethernet
- 4x isolated RS232/RS485 with electrostatic and surge protection
- 2x isolated CAN with LED indicator that supports CAN 2.0B standard
- 8x isolated DI with LED indicator that supports AC input
- 8x isolated DO with LED indicator that supports overcurrent protection
- 2.4GHz and 5GHz dual-band Wi-Fi, BLUETOOTH, and 4G LTE
- Wide voltage power input range of 9VDC to 36VDC with reverse polarity protection, overvoltage protection, and overcurrent protection
- Integrated supercapacitor (backup power supply, optional), RTC, Watch Dog, EEPROM, and crypto authentication
- Wide -25°C to +60°C temperature range for the working environment
- High-quality metal case, compatible with DIN-rail installation
- 24W maximum power consumption
- 143mm x 100mm x 55mm (WxDxH, DIN-rail bracket and antenna are not included)
- ED-IPC3020
- Broadcom BCM2712 2.4GHz quad-core 64-bit Arm Cortex-A76 CPU
- Up to 8GB LPDDR4X RAM
- Supports micro SD card and M.2 NVMe SSD storage expansion
- 1x Gigabit Ethernet port with optional PoE
- 2x USB 3.0, 2x USB 2.0, 1x RS232, 1x RS485, and 1x buzzer
- Dual 4Kp60 HDMI display output
- Stereo audio input and output with separate 3.5mm audio jack
- 5VDC power input via USB-C™, support ON/OFF power button
- Built-in RTC, support SuperCAP, and CR1220 battery backup
- Fanless design with high-quality metal case and big heatsink, providing excellent cooling performance
- 25W maximum power consumption
- 102.8mm x 89.5mm x 32.5mm (WxDxH)
Applications
- Multimedia entertainment
- AI development
- Intelligent instruments
- Panoramic displays
- Intelligent life
Datasheets
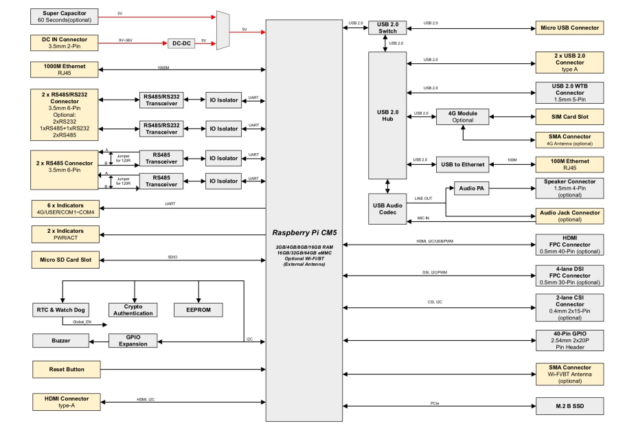
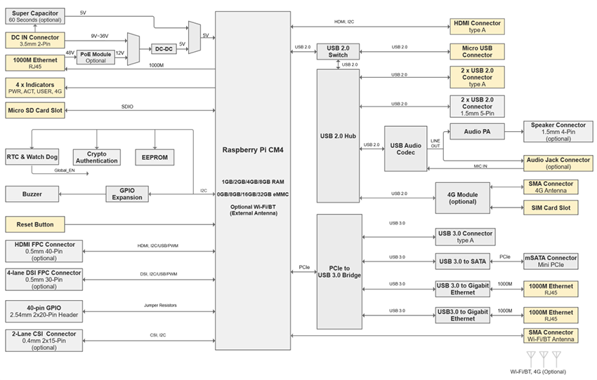
ED-IPC2000 Block Diagram
ED-IPC2100 Block Diagram
ED-IPC2200 Block Diagram
ED-IPC2630 Block Diagram
ED-IPC3020 Block Diagram
IPC3110 Block Diagram
發佈日期: 2024-07-23
| 更新日期: 2026-01-07
