Texas Instruments TAA3020EVM-PDK Evaluation Module

Texas Instruments TAA3020EVM-PDK Product Development Kit (PDK) is designed to quickly and easily demonstrate the capabilities of the TAA3020, a stereo-channel, high-performance Audio ADC. The TAA3020 is intended for voice-activated systems, professional microphones, audio conferencing, portable computing, communication, and entertainment applications.

The TI TAA3020EVM-PDK product development kit is paired with the AC-MB, a flexible motherboard that provides power, control, and digital audio data to the evaluation module.

Features

  • Complete evaluation kit for the TAA3020 two-channel ADC
  • Low-cost stereo ADC dynamic range of 104dB
  • Direct access to digital audio signals and control interface for simple end-system integration
  • On-board microphones provided for voice recording testing
  • USB connection to PC provides power, control, and streaming audio data for easy evaluation

Applications

  • Smart speakers
  • IP network cameras
  • Professional microphones and wireless systems
  • Video conference systems

Kit Contents

  • TAA3020 device
  • TAA3020 EVM/daughterboard
  • AC-MB controller/motherboard

TAA3020EVM-PDK & AC-MB Boards

Texas Instruments TAA3020EVM-PDK Evaluation Module

AC-MB Audio Serial Interface Routing

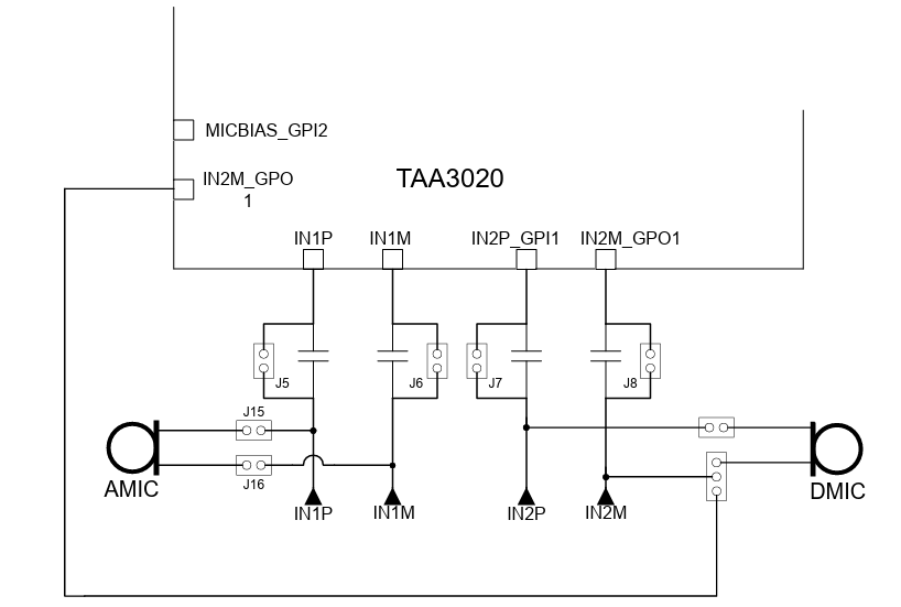
Application Circuit Diagram - Texas Instruments TAA3020EVM-PDK Evaluation Module

Input Architecture

Location Circuit - Texas Instruments TAA3020EVM-PDK Evaluation Module
發佈日期: 2025-02-18 | 更新日期: 2025-04-23