ROHM Semiconductor RB-D62Q2703TB48 Reference Board
ROHM Semiconductor RB-D62Q2703TB48 Reference Board features the LAPIS ML62Q2703 CMOS 16-bit RISC MCU, offering a robust platform for low-power and high-efficiency applications. Designed with versatility, this reference board is ideal for home/building automation, industrial control systems, IoT devices, and portable electronics. The ML62Q2703 MCU combines low power consumption with integrated peripherals, including ADCs, timers, and communication interfaces, making it well-suited for battery-operated devices and compact designs.With support for LCD control and a 16-bit RISC architecture that delivers efficient processing, the ROHM Semiconductor RB-D62Q2703TB48 Reference Board simplifies development for applications like smart home devices, medical instruments, and embedded systems. The board's flexible features and user-friendly design make it an excellent choice for prototyping and small-scale production in diverse application areas.
Features
- Provided with the LAPIS ML62Q2703 CMOS 16-bit RISC MCU, 48-pin TQFP
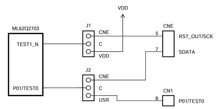
- Mounted with the linked connector to EASE1000 V2
- Through-holes for connecting the pins of LSI to external peripheral boards
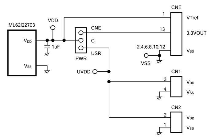
- Selectable power supply, supplied from the on-chip emulator EASE1000 V2 or CN1_3pin/CN2_2pin
- Mounted 32.768KHz crystal
- Mounted LEDs (P20, P21, P22)
- Foot pattern with components for Successive Approximation Type A/D Converter is available (P23, P24, P25, P26)
- Low power consumption
- Internal flash memory and RAM
- Flexible I/O and communication interfaces
- Real-time processing
- 1.8V to 5.5V operating supply range
- Compact form factor, 56mm x 94mm x 15mm (WxDxH) size
Applications
- Home and building automation
- Industrial automation
- Consumer electronics
- Healthcare and medical devices
- Automotive electronics
- Internet of Things (IoT)
- Energy management systems
- Embedded systems prototyping and education
Overview
Power Circuit
EASE1000 V2 Interface
PCB Layout
發佈日期: 2024-12-31
| 更新日期: 2025-01-07
