Guerrilla RF GRF2133W Ultra-High Gain LNA
Guerrilla RF GRF2133W Ultra-High Gain Low Noise Amplifier (LNA) is configured as a linear driver, LNA, or cascaded gain block. This GRF2133W LNA features a 0.85dB noise figure for small cells, cellular boosters, wireless infrastructure, and other high-performance applications. The ultra-high gain LNA offers high levels of reusability within a design and across platforms. This GRF2133W ultra-high LNA operates from a 1.8V to 5V voltage range and 35mA to 120mA current (IDDQ) range for optimal efficiency and linearity. The RF amplifier operates from 0.1GHz to 2.7GHz frequency range, and the AEC-Q100 Grade 2 qualification is pending. Typical applications include high-gain LNA, cellular boosters/repeaters, and linear driver amplifiers.Features
- Internally matched
- Unconditionally stable
- Flexible biasing
- 0.1GHz to 2.7GHz frequency range
- AEC-Q100 Grade 2 qualification is pending
- Process:
- GaAs pHEMT
- Compact 1.5mm x 1.5mm DFN-6 package
Specifications
- 5V / 60mA / 700MHz reference:
- 40dB gain
- 20dBm OP1dB
- 31dBm OIP3
- 0.7dB evaluation board noise figure
- 5V / 60mA / 1950MHz reference:
- 28dB gain
- 20dBm OP1dB
- 31dBm OIP3
- 0.6dB evaluation board noise figure
- 5V / 60mA / 2500MHz reference:
- 23.5dB gain
- 20dBm OP1dB
- 30dBm OIP3
- 0.75dB evaluation board noise figure
Applications
- High gain LNA
- Cellular boosters/repeaters
- Linear driver amplifiers
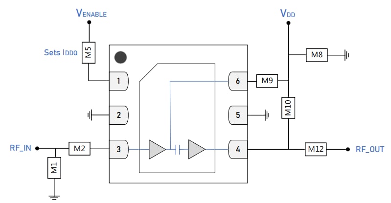
Schematic Diagram
Additional Resources
- Designing for Low Noise and Excellent Matching in Amplifier Application Note
- Proper Procedures for Powering Up and Powering Down an RF Amplifier Application Note
- Improving Gain Flatness Without Sacrificing Return Loss Application Note
- Design Considerations for Ensuring Amplifier Stability Application Note
發佈日期: 2023-10-19
| 更新日期: 2023-10-25
