Guerrilla RF GRF5617 Power Amplifier

Guerrilla RF GRF5617 Power Amplifier is a high-gain, two-stage InGaP Heterojunction Bipolar Transistor (HBT) amplifier designed to deliver excellent P1db, ACLR, and IM3 performance. This high linearity power amplifier includes a 50Ω single-ended input and output impedance and a digital shutdown function. The GRF5617 power amplifier features a 1710MHz to 1785MHz frequency range, +26.5dBm POUT with 45dBc ACLR, and 345mA native mode Quiescent current consumption. This amplifier is used in cellular boosters, picocells, automotive compensators, and customer-premise equipment.

Features

  • Excellent OP1dB, OIP3, ACLR and IM3 performance
  • +26.5dBm linear output power maintained at 85°C
  • Flexible biasing provides latitude for linearity optimization
  • 50Ω single-ended input and output impedances
  • 1710MHz to 1785MHz frequency range
  • 345mA native mode Quiescent current consumption
  • Digital shutdown
  • 3V to 5.25V supply voltage range
  • Rugged design is extremely resilient to mismatched loads
  • -40°C to 85°C operating temperature range
  • Compact 3mm x 3mm QFN-16 package
  • RoHS compliant
  • Moisture Sensitivity Level 1 (MSL 1)

Applications

  • Cellular boosters
  • Picocells/femtocells
  • Automotive compensators
  • Customer premise equipment

Standard Test Schematic

Schematic - Guerrilla RF GRF5617 Power Amplifier

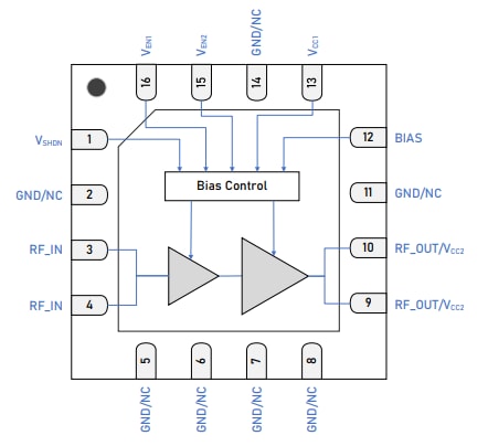
Block Diagram

Block Diagram - Guerrilla RF GRF5617 Power Amplifier
發佈日期: 2024-03-28 | 更新日期: 2024-03-29