Infineon Technologies WLC1115 Wireless Charging Transmitter
Infineon Technologies WLC1115 Wireless Charging Transmitter is a highly integrated, Qi-compliant wireless power transmitter with integrated USB Type-C™ Power Delivery (PD). The WLC1115 complies with the Qi v1.3.2 standard for 15W applications and is compliant with the USB-PD 3.0 specifications. The WLC1115 includes integrated gate drivers for the buck and inverter power supplies that are necessary for wireless transmitter applications. The device supports a wide input voltage range and offers many programmable features for creating distinct wireless transmitter solutions.The WLC1115 is a highly programmable wireless power transmitter and integrated USB-PD sink solution with an on-chip 32-bit Arm® Cortex®-M0 processor, 128KB flash, 16KB RAM, and 32KB ROM that allows most Flash available for user application use. The device also includes various analog and digital peripherals, such as an Analog-to-Digital Converter (ADC), PWMs, and timers. The inclusion of a fully programmable MCU with analog and digital peripherals enables scalable multi-coil wireless charging solutions for free positioning transmitter designs.
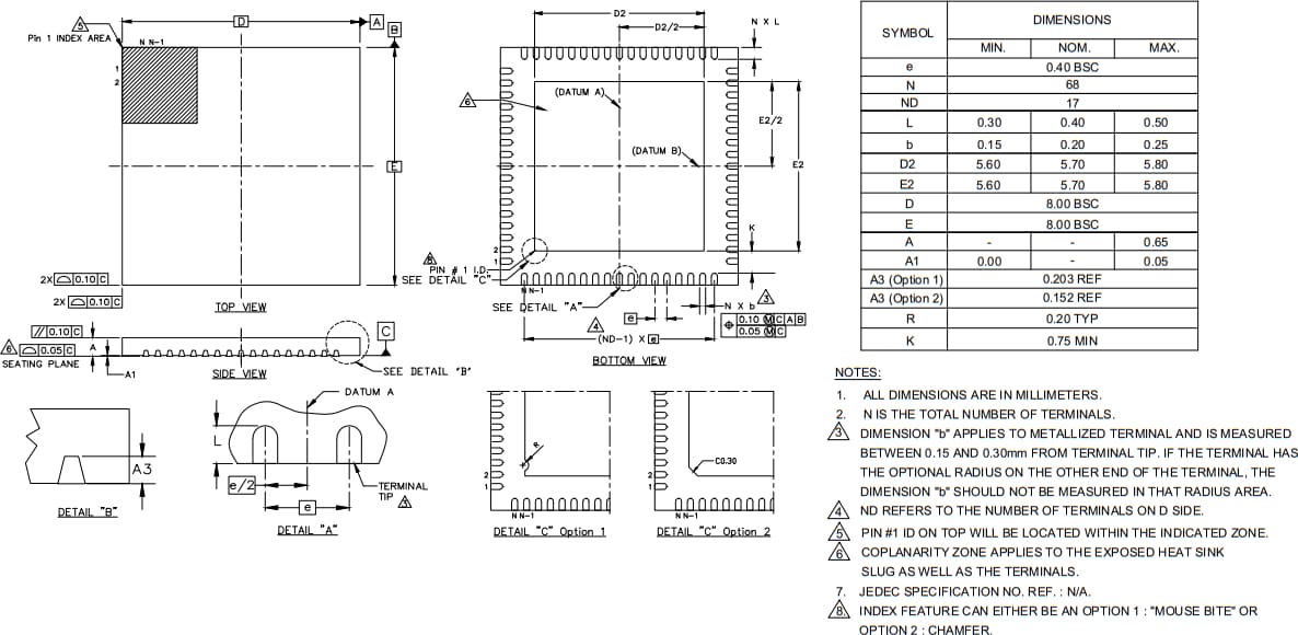
The Infineon Technologies WLC1115 Wireless Charging Transmitter is housed in an 8.0mm x 8.0mm QFN-68 package with an exposed pad for enhanced thermal performance.
Features
- Qi 3.x compliant transmitter (MP-A11 coil)
- Integrated USB-PD controller
- Supports USB-PD 3.0 version
- Programmable power supply (PPS) mode
- Support for USB-PD legacy charging protocols like QC 2.0, 3.0, and AFC
- Integrated buck converter controller for VBRIDGE (VBRG)
- Integrated gate drivers for buck converter and inverter
- Integrated Q factor detection
- Integrated FSK modulator
- Wide 5V to 24V input voltage range
- I2C and UART communication ports
- Overcurrent protection (OCP)
- Overvoltage protection (OVP)
- Supports over-temperature protection through an integrated ADC circuit and internal temperature sensor
- -40°C to +105°C extended industrial temperature range
- 8.0mm x 8.0mm x 0.65mm QFN-68 package
Applications
- Wireless charging pads for extended power profile (EPP) (15W) and basic power profile (BPP) (5W)
- Smart speakers
- Portable accessories
- Furniture and home goods
- Docking stations
- High-speed charging support
Logic Block Diagram
Typical Application Circuit
Package Outline
發佈日期: 2022-06-27
| 更新日期: 2022-11-04
