Infineon Technologies 100V to 150V StrongIRFET™ Power MOSFETs
Infineon Technologies 100V to 150V StrongIRFET™ Power MOSFETs are optimized for low on-resistance (RDS(on)) and high current capability. These devices offer an RDS(on) as low as 1.3mΩ at 100V and a current handling capability as high as 209A at 100V. These features result in reduced conduction losses and increased power density while still accommodating legacy designs. The StrongIRFET Power MOSFETs are ideal for low-frequency applications requiring performance and ruggedness. The comprehensive portfolio addresses a broad range of applications, including DC motors, battery management systems, inverters, and DC-DC converters.The Infineon Technologies 100V to 150V StrongIRFET™ Power MOSFETs are offered in an industry-standard TO-247 package with a wide -55°C to +175°C operating temperature range.
Features
- RDS(on) as low as 1.3mΩ at 100V
- Current-carrying capability as high as 209A at 100V
- 100V and 150V drain-to-source voltage
- Product qualification according to JEDEC standard
- Fully characterized capacitance and avalanche SOA
- High gate, avalanche, and dynamic dv/dt ruggedness
- Enhanced body diode dV/dt and dI/dt capability
- Wide -55°C to +175°C operating temperature range.
- Industry-standard TO-247 package allows for drop-in replacement
Applications
- Uninterruptible power supplies (UPS)
- Solar power inverters
- Class D audio amplifiers
- Switched mode power supplies (SMPS)
- Brushed and BLDC motor drives
- Battery-powered circuits
Specifications
Typical Application Circuit
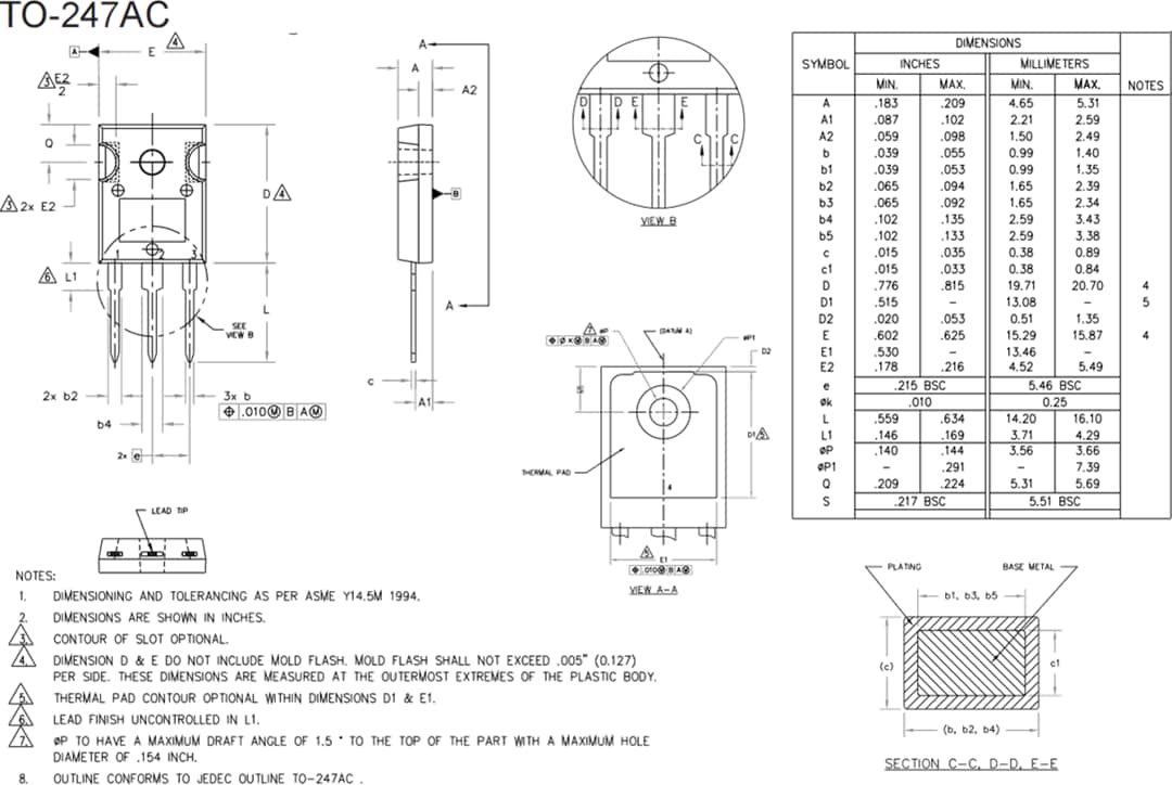
Package Outline
發佈日期: 2022-09-21
| 更新日期: 2022-09-22
