Infineon Technologies EasyPACK™ CoolSiC™ Trench MOSFET Modules
Infineon Technologies EasyPACK™ CoolSiC™ Trench MOSFET Modules feature PressFIT contact technology and an integrated Negative Temperature Coefficient (NTC) temperature sensor. These modules operate at a 1200V drain-source voltage, feature a low inductive design, low switching losses, and high current density. The EasyPACK™ modules offer rugged mounting due to integrated mounting clamps and are packaged with a CTI >600. Applications include high-frequency switching devices, DC/DC converters, and DC chargers for EVs. With the Easy 2C Series, Infineon enhances high-power designs using SiC G2 technology and advanced .XT features. The .XT technology provides enhanced ruggedness and extended operating temperatures, while the second-generation SiC MOSFET technology offers improved gate oxide reliability and reduced on-resistance.
With the Easy 2C Series, Infineon enhances high-power designs using SiC G2 technology and advanced features.XT features, delivering exceptional performance for demanding applications. The .XT technology provides enhanced ruggedness and extended operating temperature ranges, while the second-generation SiC MOSFET technology offers improved gate oxide reliability and reduced on-resistance.
Features
- Second-generation SiC G2 MOSFET technology with improved gate oxide reliability
- Easy 2C™ housing
- Enhanced .XT technology for extended temperature operation and superior ruggedness
- Ultra-low switching losses enabling high-frequency operation up to MHz range
- 1200V VDSS rating with exceptional current handling capability
- Advanced thermal interface with integrated NTC temperature sensor and optimized baseplate design
- Low-inductance package design minimizing parasitic effects and EMI
- PressFIT contact technology for reliable, solder-free connections
- Integrated mounting clamps ensure robust mechanical assembly
- CTI >600 package rating for enhanced creepage and clearance performance
- High current pin configuration optimized for power applications
- Wide Safe Operating Area (SOA) providing design flexibility and fault tolerance
- Qualified to industrial standards per IEC 60747, 60749, and 60068 testing protocols
Applications
- High-frequency switching devices
- DC/DC converters
- DC chargers for EVs
Videos
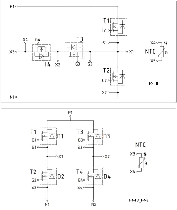
Circut Diagrams
