Infineon Technologies TLS805B1SJ/TLS810B1EJ Demonstration Boards
Infineon Technologies TLS805B1SJ/TLS810B1EJ Demonstration Boards evaluate the ultra-low quiescent current linear voltage regulator family in a PG-DSO-8/PG-DSO-8-EP package. These boards feature a 2.75V to 42V wide input voltage range, 5µA to 10µA ultra-low quiescent current, less than 1µA shutdown current, and low dropout voltage. The TLS805B1SJ/TLS810B1EJ boards provide 2% accuracy with up to 50mA/100mA output current capacity, fast regulation, and good stability. The protection features include output overcurrent limitation and overtemperature shutdown. These boards are RoHS-compliant and AEC-qualified. The TLS805B1SJ/TLS810B1EJ boards are ideal for automotive and other supply systems connected to battery applications.Features
- 2.75V to 42V wide input voltage range
- 5µA to 10µA ultra-low quiescent current
- Up to 50mA/100mA output current capacity
- Less than 1µA shutdown current
- Low drop-out voltage
- Output overcurrent protection
- Overtemperature shutdown
- Enable
- Reset
- Wide temperature range
- Green product (RoHS compliant)
- AEC qualified
Applications
- Automotive
- Supply systems connected to battery devices
TLS810D1 Block Diagram
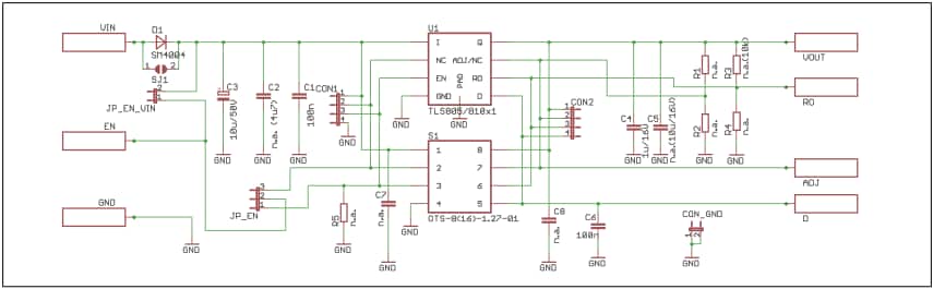
Schematic Diagram
View Results ( 3 ) Page
| 零件編號 | 評估工具 | 輸入電壓 | 輸出電壓 | 輸出電流 |
|---|---|---|---|---|
| TLS805B1SJVBOARDTOBO1 | TLS805B1SJV | 2.75 V to 42 V | 1.2 V to 1.7 V | 50 mA |
| TLS810B1EJV33BOARDTOBO1 | TLS810B1 V33 | 2.75 V to 42 V | 3.3 V | 100 mA |
| TLS810B1EJV50BOARDTOBO1 | TLS810B1EJ V50 | 2.75 V to 42 V | 5 V | 100 mA |
發佈日期: 2025-02-10
| 更新日期: 2025-03-17
