Infineon Technologies XDPS2201混合返馳式控制器

英飛凌科技XDPS2201混合返馳式控制器採用非對稱半橋控制,可搭配串聯電容器一起驅動傳統的返馳變壓器。返馳變壓器的主電感與串聯電容器共同組成諧振槽,能實現零電壓切換 (ZVS)。XDPS2201切換控制器具有600V高壓啟動電芯,能快速充電,並達到低待機耗電量。控制器提供了峰值電流模式控制,能穩定快速地控制線路和負載。XDPS2201切換控制器IC適合用於AC/DC SMPS,以及超高功率密度的變壓器。

特點

  • 採用DSO-14 (150 mil) 封裝的整合式半橋驅動器
  • 具備600V高壓啟動電芯,能快速充電,並達到低待機耗電量
  • 具備峰值電流模式控制,能穩定快速地控制線路和負載
  • 叢發模式進入/退出操作,以預估的輸出電流為依據
  • 初級側輸出過電壓保護
  • 支援最低可低於75 mW的零負載待機耗電量
  • 寬廣的參數範圍,透過單腳位UART介面即可設定
  • 最低成本的必要材料清單
  • 可設定的啟動和壓降保護
  • 可設定的內建軟啟動
  • 可設定的輸出過電壓保護
  • 可設定的叢發模式進入和退出電流閾值,包括低遲滯
  • 可設定的過電流保護,含兩級的峰值和瞬態負載
  • 可設定的頻率降低與週期跳步功能,更為提升低負載效率
  • 可設定的切換頻率抖動
  • 可設定的傳播延遲補償,能準確控制峰值電流
  • 無鉛引線電鍍
  • 符合RoHS且不含鹵素,符合IEC61249-2-21標準

應用

  • AC/DC SMPS
  • 20W/inch3以上超高功率密度變壓器
  • 93%以上超高效率SMPS

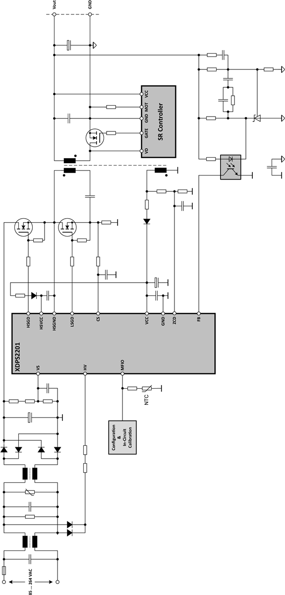
典型應用電路

應用電路圖 - Infineon Technologies XDPS2201混合返馳式控制器

方塊圖

結構圖 - Infineon Technologies XDPS2201混合返馳式控制器
發佈日期: 2021-03-25 | 更新日期: 2022-03-11