Saia-Burgess XP Forced Break Switches
Saia-Burgess XP Forced Break Switches feature a forced double break switching capability with a positive-action force break option. The switches offer a >3mm contact gap at full travel with 6.3mm brass faston terminals. The XP series has various mechanisms and actuator options. The switches provide change-over (CO), normally closed (NC), or normally open (NO) mechanisms, as well as a plain plunger, mushroom plunger, and plunger with external spring actuators. The external spring allows for increased reset security. The Saia-Burgess XP Forced Break Switches operate with IP40-rated enclosure protection, a 400VAC max voltage rating, and a 1.8N to 6.5N actuating force range.Features
- Forced double break switching capability
- Positive-action force break option
- >3mm contact gap at full-travel option
- Faston terminals
- IP40 enclosure protection
- Actuator options
- Plain plunger
- Mushroom plunger
- Plunger with external spring (increases reset security)
- ENEC, UL, and CSA approvals
Specifications
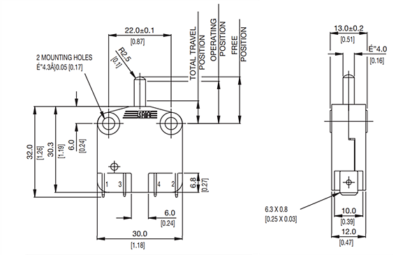
- 30mm x 32mm x 12mm dimensions
- 1.8N to 6.5N actuating force range
- CO, NO, or NC circuit mechanism
- Silver nickel contacts
- 400VAC voltage rating
- 16A current rating
- Glass fiber reinforced nylon housing and plunger
- 6.3mm faston brass terminals
- -20°C to +140°C operating temperature range
Application Circuit Diagram
Dimensions
發佈日期: 2024-07-09
| 更新日期: 2024-08-08
