MACOM CMPA0530002S-AMP1 Application Circuit
MACOM CMPA0530002S-AMP1 Application Circuit is a test board with a CMPA0530002S gallium nitride (GaN) high electron mobility transistor (HEMT) installed. The GaN HEMT is designed explicitly for high efficiency, high gain, and wide bandwidth capabilities. MACOM CMPA0530002S-AMP1 Application Circuit is designed to facilitate the evaluation of the CMPA0530002S GaN HEMT.Features
- Test board with CMPA0530002S GaN HEMT installed
- Designed for high efficiency, high gain, and wide bandwidth capabilities
- Facilitate evaluation of CMPA0530002S GaN HEMT
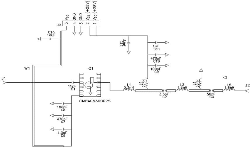
Schematic
發佈日期: 2021-06-15
| 更新日期: 2024-01-22
