MACOM CMPA601J025F Power Amplifier
MACOM CMPA601J025F Power Amplifier is a 25W packaged Monolithic Microwave-Integrated Circuit (MMIC) driver High Power Amplifier (HPA) designed using a high-performance 0.15μm GaN on SiC production process. This amplifier offers excellent broadband, RF performance, thermal management, and 20% power-added efficiency under CW operation. The CMPA601J025F amplifier operates from 6GHz to 18GHz frequency range and at 28V voltage. This amplifier is used in electronic welfare, test instrumentation, radar, and broadband amplifier applications.Features
- 0.15μm GaN on SiC technology
- 25W saturated output power
- 20dB large signal gain
- 20% power-added efficiency under CW operation
- 6GHz to 18GHz operating frequency range
- 28V operating voltage
- Excellent RF performance and thermal management
- Flange package type
Applications
- Electronic welfare
- Test instrumentation
- Radar
- Broadband amplifier
Functional Block Diagram
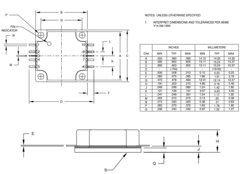
Mechanical Drawing
發佈日期: 2023-07-31
| 更新日期: 2024-12-04
