MACOM MAFL-011082 Reflection-Less Low Pass Filter
MACOM MAFL-011082 Reflection-Less Low Pass Filter offers a 5 to 684MHz frequency range, a 75Ω impedance rating, and a 30mA DC. The MAFL-011082 filter is a surface mount 18mm device that features a low insertion loss and is RoHS compliant and lead (Pb) free. MACOM MAFL-011082 Reflection-Less Low Pass Filter operates in the -40ºC to +85ºC temperature range and is ideal for DOCSIS3.1 applications.Features
- Surface mount 18mm device
- Low insertion loss to 684MHz
- Matched to 1218MHz
- RoHS-compliant and lead-free
Specifications
- 5 to 684dB insertion loss
- 75Ω impedance rating
- 250mW RF power rating
- 30mA DC
- -40ºC to +85ºC operating temperature range
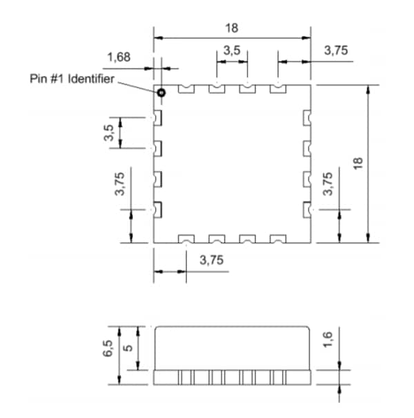
Outline Drawing
發佈日期: 2019-04-26
| 更新日期: 2023-08-25
