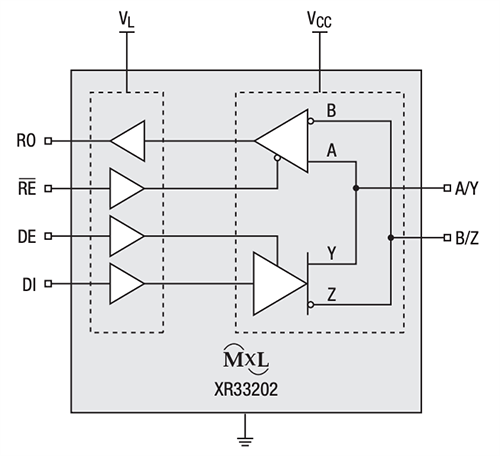
MaxLinear XR33202 Wide Supply RS-485/RS-422 Transceivers
MaxLinear XR33202 Wide Supply RS-485/RS-422 Transceivers are designed to meet the increasing system requirements in portable/handheld, process control, and industrial equipment environments. XR33202 transceivers feature a low shutdown current of 3µA, a wide 3.0V to 5.5V operation supply voltage range, and a 1.65V to 5.5V I/O logic interface VL pin. These transceivers offer complete fail-safe circuitry, guaranteeing a logic-high receiver output when the receiver inputs are open, shorted, or undriven. The half-duplex devices operate at maximum data rates of 20Mbps and are available in 10-pin DFN packages.Features
- Wide 3.0V to 5.5V supply operation
- 1.65V to 5.5V I/O logic interface VL pin
- 20Mbps maximum data rate
- 1/8 unit load, up to 256 receivers
- Robust ESD (Electrostatic Discharge) protection for RS-485 bus pins
- ±15kV human body model
- ±15kV IEC61000-4-2 air discharge
- ±8kV IEC61000-4-2 contact discharge
- Hot-swap glitch protection on DE and RE Pins
- Enhanced receiver fail-safe protection for open, shorted, or terminated but idle data lines
- Driver short circuit limit and thermal shutdown for overload protection
- -40°C to +125°C ambient operating temperature range
- Lead-free (RoHS 6) DFN
Applications
- Portable and handheld equipment
- Industrial and process control equipment
- Point-of-sale (POS) equipment
- Building security and automation
Typical Application
Block Diagram
Development Tool
發佈日期: 2016-03-29
| 更新日期: 2022-03-11
