MaxLinear MxL8321x RS-485/422 Transceivers
MaxLinear MxL8321x RS-485/422 Transceivers are half-duplex transceivers that support up to 50Mbps communication in extreme industrial environments. These transceivers incorporate input filtering that enhances noise immunity with differential signals with very slow rise and fall times. The MxL8321x transceivers' bus pins can tolerate high levels of IEC Electrical Fast Transients (EFT) and IEC Electrostatic Discharge (ESD). The combination of integrated EFT and ESD protection in small VSON and MSOP packages makes these transceivers suited for space-constrained applications that require high-performance communication.The MxL8321x transceivers feature a hot-swap capability that allows live insertion without error data transfer. These transceivers also feature reduced slew-rate drivers that minimize EMI and reduce reflections caused bu improperly terminated cables, and allow error-free data transmission up to 250kbps.
The MxL8321x transceivers operate from 3V to 5.5V supply voltage range and -40°C to 125°C extended temperature range. These transceivers meet or exceed the TIA/EIA-485A standard requirements. The MxL8321x transceivers are used in smart grids, industrial transports, high-performance motor drives, building security, and automation.
Features
- Extended IEC Electrical Fast Transients (EFT) and IEC Electrostatic Discharge (ESD) protection
- Differential output exceeds 2.1V for PROFIBUS compatibility with a 5V supply
- Glitch-free power-up/down hot plug capability
- Low power shutdown mode
- ±15V extended operational common-mode range
- Meets or exceeds the TIA/EIA-485A standard requirements
- 1/8 unit load (256 bus nodes)
- NSOIC and small form factor MSOP and VSON packages
- Improved failsafe protection for open, short, and idle conditions
- Robust system protection:
- ±4kV EFT (IEC 61000-4-4)
- ±12kV ESD Contact (IEC 61000-4-2)
- ±15kV ESD HBM
- Operate from 3V to 5.5V supply range
Applications
- High-performance motor drives
- BBU and RRU telecom equipment
- Industrial and single-board computers
- Building security and automation
- Industrial and process control equipment
- Industrial transports
- Smart grids
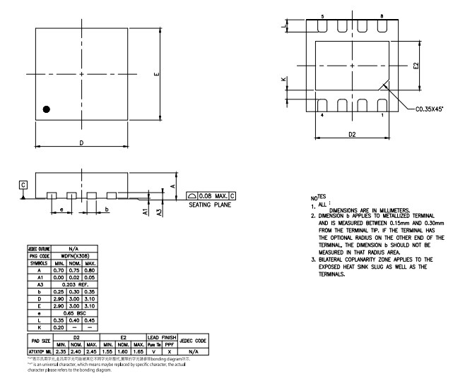
VSON8 Package Dimensions
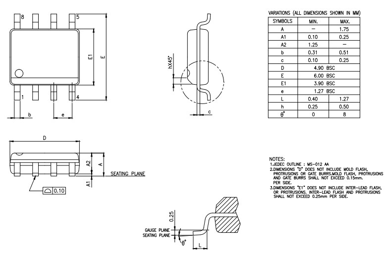
MSOP8 Package Dimensions
NSOIC8 Package Dimensions
View Results ( 7 ) Page
| 零件編號 | 驅動器數 | 接收器數 | 數據率 | 電源電壓 - 最大值 | 電源電壓 - 最小值 | 輸出電流 | 靜電放電保護 | 運作供電電流 | Pd - 功率消耗 |
|---|---|---|---|---|---|---|---|---|---|
| MXL83212E-ADA-R | 1 Driver | 1 Receiver | 50 Mb/s | 5.5 V | 3 V | 24 mA | with ESD Protection | 1 mA | 360 mW |
| MXL83212E-AHA-R | 1 Driver | 1 Receiver | 50 Mb/s | 5.5 V | 3 V | 24 mA | with ESD Protection | 1 mA | 360 mW |
| MXL83212E-ARA-R | 1 Driver | 1 Receiver | 0.5 Mb/s | 5.5 V | 3 V | 24 mA | with ESD Protection | 1 mA | 360 mW |
| MXL83214E-AHA-R | 1 Driver | 1 Receiver | 50 Mb/s | 5.5 V | 3 V | 24 mA | with ESD Protection | 1 mA | 360 mW |
| MXL83214E-ARA-R | 1 Driver | 1 Receiver | 50 Mb/s | 5.5 V | 3 V | 24 mA | with ESD Protection | 1 mA | 360 mW |
| MXL83214E-ADA-R | 1 Driver | 1 Receiver | 50 Mb/s | 5.5 V | 3 V | 24 mA | with ESD Protection | 1 mA | 360 mW |
| MXL83211E-ADA-R | 1 Driver | 1 Receiver | 0.25 Mb/s | 5.5 V | 3 V | 24 mA | Yes | 1 mA | 360 mW |
發佈日期: 2024-09-03
| 更新日期: 2024-10-15
