MEAN WELL DBR-3200 & DBU-3200 Battery Chargers
MEAN WELL DBR-3200 and DBU-3200 Battery Chargers are 3.2kW single-output AC/DC smart chargers available in a rack or enclosed type. These chargers feature a 1U low profile and high power density of up to 37W/in3. The modules are fully digitalized and include pre-loaded programmable charging curves for different types of lead-acid and Li-ion batteries. These chargers provide design flexibility with built-in functions such as programmable output (PV and PC), active current sharing, and remote on-off control. A programmable output function allows users to adjust the charging voltage and current via the built-in potentiometer or power management bus (PMBus) protocol.MEAN WELL DBR-3200 and DBU-3200 Battery Chargers provide various protection mechanisms and temperature compensation functions for a normal and safe system operation. These chargers also include auxiliary power and built-in in ORing FETs to support hot swap (DBR-3200). Typical applications include industrial automation, telecommunication equipment, battery charging equipment, and electrical vehicle (EV) charging stations.
Features
- 37W/in3 high power density
- 3.2kW single output
- Rack-type and enclosed-type chargers
- Charger for:
- Lead-acid batteries (gel, flooded, and AGM)
- Li-ion batteries (lithium ion and lithium manganese)
- Built-in default 3-stage charging curves and programmable curve
- Built-in I2C interface and PMBus protocol
- 325.8mm x 107mm x 41mm dimensions 1U profile
- Universal AC input/full range
- Built-in active power factor correction (PFC) function
- Forced air cooling by built-in thermal-controlled DC fans
- Programmable output voltage and current
- Built-in ORing FET
- Active current sharing up to 6400W (1+1)
- Battery undervoltage, battery no connection, short-circuit, overvoltage, and overtemperature protection
- Optional conformal coating
- UL/EN/IEC 62368-1 safety standard
- EN 55032/55024 EMC standard
Applications
- Industrial automation
- Telecommunication equipment
- Battery charging equipment
- EV charging stations
- Electrolysis systems
- Large-scale DC uninterruptible power supplies (UPS) and emergency backup systems
- Marine battery charger modules
- Wastewater treatment systems
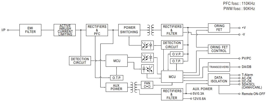
DBU-3200 Block Diagram
DBR-3200 Block Diagram
Performance Graphs
Additional Resources
發佈日期: 2018-10-08
| 更新日期: 2023-01-24
