Menlo Micro MM5130 DC to 26GHz High-Power SP4T RF Switch
Menlo Micro MM5130 DC to 26GHz High-Power SP4T RF Switch is a high-power, single-pole four-throw switch built on Ideal Switch® technology. This innovative technology enables highly reliable switches capable of 25W forward power. The MM5130 provides ultra-low insertion loss and superior linearity as an SP4T from DC to 18GHz, and greater than 3 billion switching cycles.The MM5130 can also be configured in Super-Port mode, which extends the frequency operation to 26GHz. The MM5130 is an ideal solution for replacing large RF electromechanical relays and RF/microwave solid-state switches in applications where linearity and insertion loss are critical parameters. The four switch channels are individually controllable by applying a gate voltage to the corresponding RF GATE pin.
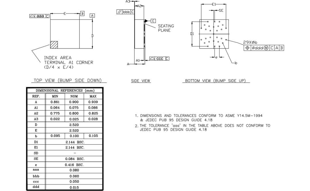
The Menlo Micro MM5130 DC to 26GHz SP4T Switch is available in a compact 2.5mm x 2.5mm WLCSP package, ideal for space-constrained applications.
Features
- DC to 26GHz frequency range
- 25W (CW), 150W (pulsed) maximum power handling
- Low on-state insertion loss, 0.4dB @ 6.0GHz typical
- High linearity, IIP3 95dBm typical
- 25dB isolation @ 6.0GHz / 45dB Super-Port mode
- High reliability with >3 billion switching operations typical
- 2.5mm x 2.5mm WLCSP package
- RoHS compliant
Applications
- Switched filter banks and tunable filters
- High-power RF front ends
- Antenna tuning
- Low-lossswitchmatrices
- EM relay replacement
- Defense and aerospace
- Medical equipment
- Test and measurement systems
- Wireless infrastructure
Development Tools
Block Diagram
Pin Designations
Package Outline
發佈日期: 2022-08-18
| 更新日期: 2022-10-06
