Microchip Technology EV28J28A超音波電源評估板

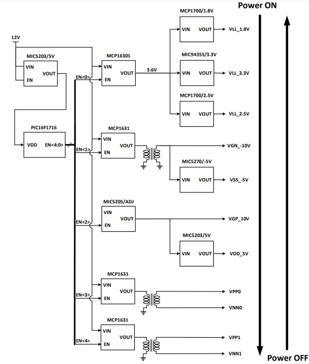
Microchip Technology EV28J28A超音波電源評估板具備超音波脈衝器和多路複用器演示所需的全部必要電壓軌。 此評估板提供電源排序和故障保護。EV28J28A評估板也支援外部同步。此電路板自動處理脈衝器演示板所需的上電和斷電排序。 

特點

  • 包含超音波脈衝器和多路復用器演示所需的全部必要電壓軌
  • 電源排序和故障保護
  • 支援外部同步
  • 單一12V輸入(亦與標準2.5mm電源插孔相容)
  • 自動上電/斷電排序
  • VNN電軌可配置為與VPP電軌相反的極性
  • 可用的獨立電軌:
    • 1.8V、2.5V、3.3V、5V、-5V、10V、-10V、VPP0、VNN0、VPP1和VNN1
  • VPP電軌可配置為:
    • 60V、80V、90V或100V
  • VPP0、VNN0、VPP1、VNN1和-10V的可選外部同步
  • 由低漣波LDO提供的1.8V、2.5V、3.3V、5V、-5V和10V電軌
  • 所有電壓軌的狀態LED
  • VPP0、VNN0、VPP1和VNN1電軌的故障監控,在發生故障時自動斷電

方塊圖

結構圖 - Microchip Technology EV28J28A超音波電源評估板

電源板參考設計

Microchip Technology EV28J28A超音波電源評估板
發佈日期: 2024-09-05 | 更新日期: 2024-11-20