Microchip Technology MIC23350/23356/23656 Step-Down Regulators

Microchip Technology MIC23350/23356/23656 Step-Down Regulators are synchronous regulators with HyperLight Load™ that provide high efficiency at light loads. MIC23350 regulators employ two VSEL (voltage selection) three-state pins to set the output voltage for nine combinations. These regulators are available in a thermally efficient, 16-lead, 2.5mm x 2.5mm x 0.5mm thin MLF package. The MIC23350/23356/23656 regulators feature a 2.4V to 5.5V input voltage range, and the low shutdown and quiescent currents are ideal for single-cell, Li-ion, and battery-powered applications.

Features

  • MIC23350:
    • 3A continuous current
    • Compact size
    • Output programmable with two VSEL three-state pins
    • 2.4V to 5.5V input voltage range
    • Open-drain Power Good (PG) output
  • MIC23356:
    • 3A continuous current
    • I2C programmable
    • Constant-ON-Time (COT) control architecture with HLL
    • 2.4V to 5.5V input voltage range
    • Open-drain Power Good (PG) output
  • MIC23656:
    • 6A output current (pulsed)
    • Multiple faults indication through I2C
    • Fast transient response
    • Safe-start-up with a pre-biased output
    • Latch-Off thermal shutdown protection
    • Latch-Off current limit protection
    • Power good open-drain output

Applications

  • Solid State Drives (SSD)
  • FPGAs, DSP, and low-voltage ASIC power

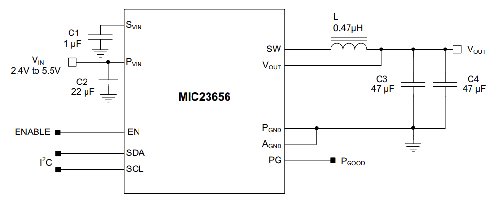
MIC23350/23356/23656 Regulators Application Circuit Diagram

發佈日期: 2019-01-22 | 更新日期: 2023-05-09