Microchip Technology PIC18FxQ10高能效MCU

Microchip Technology PIC18FxQ10高能效MCU設計採用類比、核心獨立周邊和通訊外設,適用於各種低功耗和通用應用。PIC18FxQ10 MCU具有帶計算功能的10位ADC (ADC2),支援自動電容分壓器 (CVD) 技術,以實現平均、濾波、進階觸摸感應和過採樣。裝置具有各種內核獨立周邊,包括視窗看門狗計時器 (WWDT)、互補波形發生器 (CWG)、零交叉偵測 (ZCD) 以及外設腳位選擇 (PPS)。

PIC18FxQ10 MCU可透過上電復位(POR)、欠壓復位(BOR)、低功耗欠壓復位(LPBOR)、堆疊溢位或堆疊下溢輕鬆重設。這些PIC18FxQ10 MCU能夠透過兩個腳位進行In-Circuit Serial Programming™ (ICSP™),以及經由兩個腳位並借助三個中斷點進行電路內調試 (ICD)。只有在超時期間並在特定視窗內執行操作時,WWDT才接受CLRWDT指令,從意外事件中恢復系統。帶故障保護時鐘監控器 (FSCM) 的振盪器模組具有多種選擇特性和時鐘源,以便在最大程度上降低功耗並提高性能。

特點

  • C編譯器優化的RISC架構
  • 4個16位元計時器
  • 低電流上電復位 (POR)
  • 上電計時器 (PWRT)
  • 欠壓復位 (BOR)
  • 低功耗BOR (LPBOR) 選項
  • 視窗看門狗計時器 (WWDT)
  • PIC18F24/45/25Q10:
    • 高達32KB的程序快閃記憶體
    • 高達2048B的資料SRAM記憶體
    • 256B資料EEPROM
  • PIC18F26/46Q10:
    • 高達64KB的程序快閃記憶體 
    • 高達3615B的資料SRAM記憶體
    • 高達1024B的資料EEPROM
  • 工作電壓範圍:1.8V - 5.5V
  • 高精度內部振盪器塊 (HFINTOSC)
  • 32kHz低功耗內部振盪器 (LFINTOSC)
  • 32kHz外部晶體振盪器
  • 故障安全時鐘監控器 (FSCM)
  • 模擬外設:
    • 帶計算功能的10位ADC (ADC2)
    • 硬體電容分壓器 (CVD)
    • 零交叉偵測 (ZCD)
    • 5位元數位類比轉換器 (DAC)
    • 兩個比較器 (CMP)
    • 固定電壓基準 (FVR) 模組
  • 數位外設:
    • 互補波形生成器 (CWG)
    • 捕捉/比較/PWM (CCP)模組
    • 10位脈寬調製器 (PWM)
    • 帶記憶體掃描功能的可編程CRC
    • 外設引腳選擇 (PPS)
    • 資料訊號調製器 (DSM)

MPLAB® Xpress雲端IDE

Microchip Technology PIC18FxQ10高能效MCU

MPLAB® Xpress雲端IDE是一款線上開發環境,囊括了我們屢獲獎項的MPLAB X IDE中的大多數常用功能。這一精簡的應用程式忠實地還原了Microchip基於桌面的程式,讓使用者可在兩種環境間輕鬆切換。

MPLAB Xpress是PIC® 微控制器(MCU)新使用者的完美起點 - 無需下載、無機器設定、無需等待啟動您的系統開發。

MPLAB Xpress

用於PIC18FxQ10 MCU的MPLAB Xpress代碼範例

影片

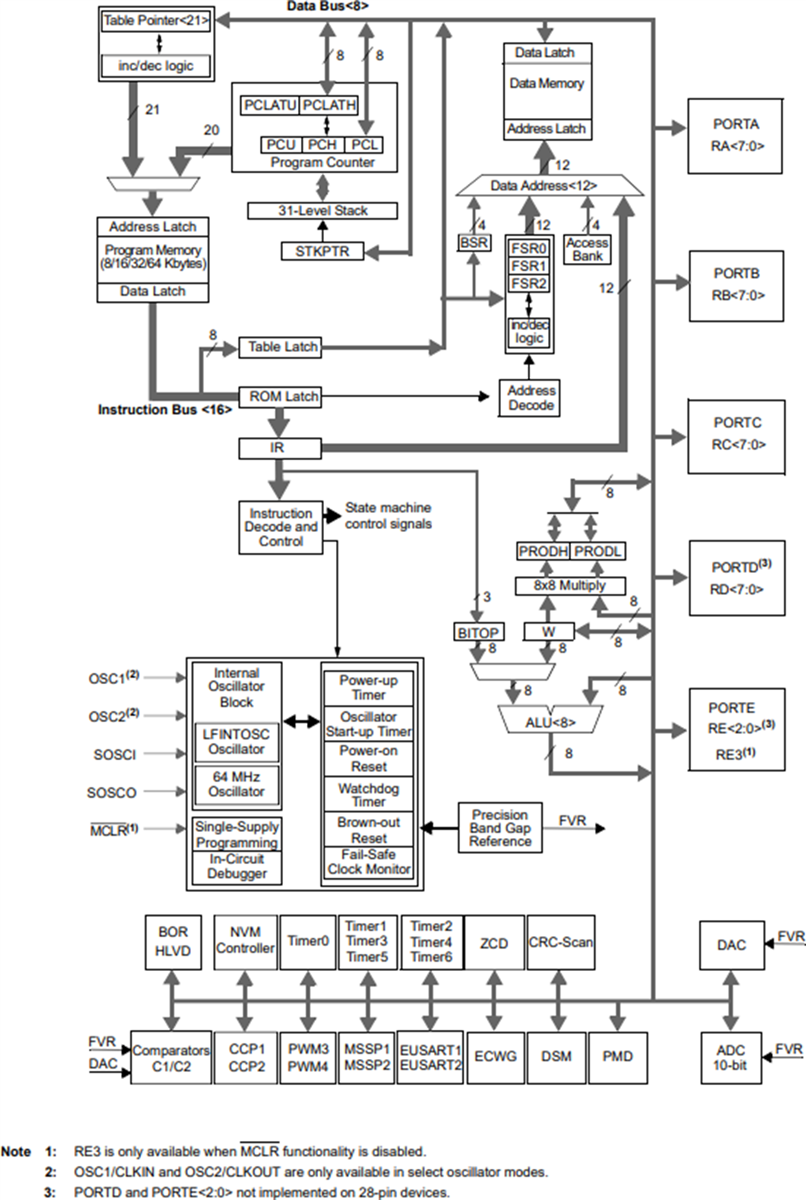
PIC18FxQ10 MCU結構圖

結構圖 - Microchip Technology PIC18FxQ10高能效MCU
發佈日期: 2018-08-20 | 更新日期: 2025-06-13