Monolithic Power Systems (MPS) EV2650-V-01A Evaluation Board

Monolithic Power Systems (MPS) EV2650-V-01A Evaluation Board is designed to evaluate and demonstrate the MP2650, a highly integrated buck or boost charger IC. This board features a 4V to 21V operating input voltage range, up to 28V (20ns) sustainable VIN, and I2C interface to support flexible parameter control. The EV2650-V-01A board also features up to 5A configurable input current limit (up to 45W total power) and 600kHz, 800kHz, 1MHz, or 1.25MHz configurable switching frequency. This MP2650 is available in a QFN-30 (4mm x 5mm) package and is ideal for tablets, notebooks, BLUETOOTH® speakers, and portable gimbals.

Features

  • Buck or boost charger for battery packs with 2 to 4 cells in series
  • All switching MOSFETs are integrated
  • Narrow-Voltage DC (NVDC) power management with an integrated battery FET
  • Configurable VIN limit
  • System power indication via the PSYS pin
  • IIN and battery current monitoring via the IAM and IBM pins
  • Input Over-Voltage Protection (OVP), battery temperature protection, battery OVP, and system OVP
  • Configurable safety charge timer
  • Thermal regulation and shutdown
  • Input power source status indication pin
  • I2C interface to support flexible parameter control
  • Comprehensive fault and status reporting in the register
  • Configurable OTG output current (IOUT) limit
  • Short-Circuit Protection (SCP) in OTG mode
  • Available in a QFN-30 (4mm x 5mm) package

Specifications

  • 600kHz, 800kHz, 1MHz, or 1.25MHz configurable switching frequency (fSW)
  • Up to 5V/3A USB On-The-Go (OTG)
  • 4V to 21V operating input voltage (VIN) range
  • Up to 28V (20ns) sustainable VIN
  • Up to 5A configurable input current (IIN) limit (up to 45W total power)
  • Up to 5A configurable charge current
  • Up to 4.5V/cell configurable battery charge voltage regulation

Applications

  • Tablets and notebooks
  • BLUETOOTH® speakers
  • Portable gimbals

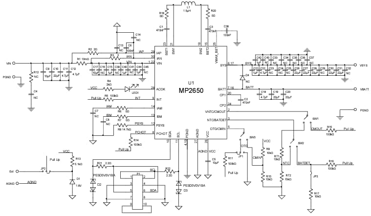
Schematic Diagram

Schematic - Monolithic Power Systems (MPS) EV2650-V-01A Evaluation Board
發佈日期: 2023-05-31 | 更新日期: 2023-06-20