Monolithic Power Systems (MPS) EV6605E-R-00A Evaluation Board

Monolithic Power Systems (MPS) EV6605E-R-00A Evaluation Board is designed to evaluate the MP6605E, a 4-channel Low-Side MOSFET (LS-FET) driver with a serial interface. This board features a wide 4.5V to 60V input voltage range, 350mΩ MOSFET on resistance, 3.3V and 5V compatible logic supply, and Over-Current Protection (OCP). The EV6605E-R-00A board also features Under-Voltage Lockout (UVLO), Over-Temperature Protection (OTP), and fault indication output. The MP6605E driver is available in a QFN-24 (4mm x 4mm) package. Typical applications include unipolar stepper motors and solenoid drivers.

Features

  • Wide 4.5V to 60V input voltage (VIN) range
  • 60V maximum winding clamp Voltage (VCLAMP)
  • Four Low-Side MOSFETs (LS-FETs) and clamp diodes
  • 350mΩ MOSFET on resistance
  • 1.5A maximum output current (IOUT) while one LS-FET is ON
  • 700mA maximum IOUT while four LS-FETs are ON
  • Over-Current Protection (OCP)
  • Under-Voltage Lockout (UVLO) protection
  • Over-Temperature Protection (OTP)
  • Fault indication output
  • Control power supply not required
  • Simple logic interface with Schmitt triggers
  • 3.3V and 5V compatible logic supply
  • Available in a QFN-24 (4mm x 4mm) package

Applications

  • Unipolar stepper motors
  • Solenoid drivers

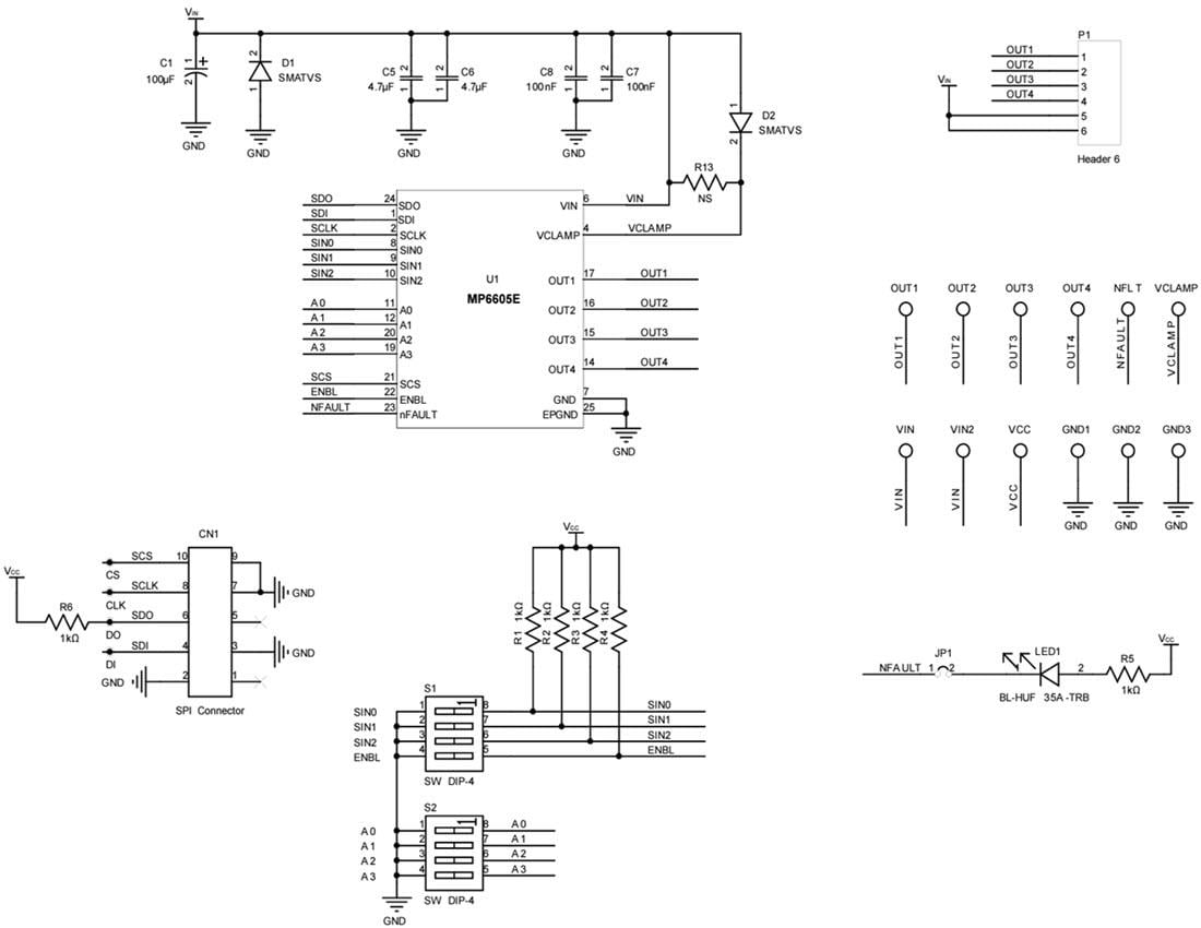
Schematic Diagram

Schematic - Monolithic Power Systems (MPS) EV6605E-R-00A Evaluation Board
發佈日期: 2023-06-07 | 更新日期: 2023-06-26