Monolithic Power Systems (MPS) EVCS180x Current Sensor Evaluation Boards
Monolithic Power Systems (MPS) EVCS180x Linear Hall-Effect Current Sensor Evaluation Boards are designed to demonstrate the capabilities of the MPS MCS180x family. The MCS180x portfolio features linear Hall-effect current sensors for AC and DC current sensing. The Hall array is differential, which cancels out the stray magnetic field. The MCS180x sensors provide two power supply options (3.3V or 5V) and a wide current range for the best accuracy in different applications. Typical applications for MPS EVCS180x evaluation boards include motor controls, automotive systems, load detection and management, switch-mode power supplies, and overcurrent fault protection.Features
- Demonstrates the capabilities of the MCS180x family
- Differential Hall array for external magnetic field cancellation
- Lead and halogen free
- RoHS compliant
Applications
- Motor controls
- Automotive systems
- Load detection and management
- Switch-mode power supplies
- Overcurrent fault protection
Specifications
- 3.3V or 5V supply voltage
- 0.9mΩ internal conductor resistance
- 100kHz maximum bandwidth
- 4μs minimum output rise time
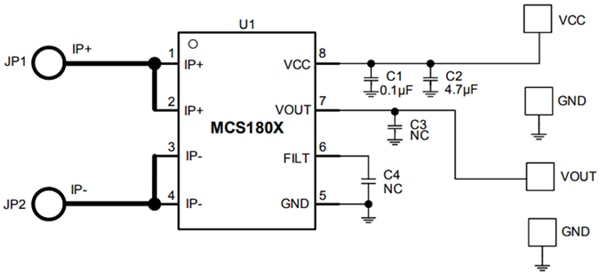
Schematic
發佈日期: 2022-03-17
| 更新日期: 2022-03-22
