Monolithic Power Systems (MPS) EVHF500-30-P-00A Evaluation Board
Monolithic Power Systems (MPS) EVHF500-30-P-00A Evaluation Board is a platform for evaluating the performance of the HF500-30 fixed-frequency, current-mode regulator. The HF500-30 has built-in slope compensation and combines a 700V MOSFET and a full-featured controller into one chip for a low-power, offline, flyback, switch-mode power supply. The MPS EVHF500-30-P-00A Evaluation Board provides the HF500-30 in a PDIP8-7B package.Features
- 700V/1.4Ω Integrated MOSFET
- Fixed-frequency current-mode-control operation with built-in slope compensation
- Frequency foldback down to fOSC(min) at light load
- Burst mode for low standby power consumption
- Frequency jittering for a reduced EMI signature
- Over-power compensation
- Internal high-voltage current source
- VCC Under-Voltage Lockout (UVLO) with hysteresis
- Programmable Input B/O and OVP
- VCC Over Voltage Protection (OVP)
- Overload Protection (OLP) with a programmable delay
- Latch-Off Protection on TIMER
- Over-temperature protection (auto-restart with hysteresis)
- Short-Circuit Protection (SCP)
- Programmable soft start
Applications
- Power supplies for home appliances
- Set-top boxes
- Standby and auxiliary power
- Adapters
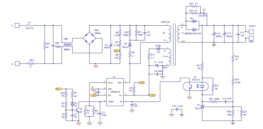
Overview
Schematic
發佈日期: 2022-05-19
| 更新日期: 2022-05-31
