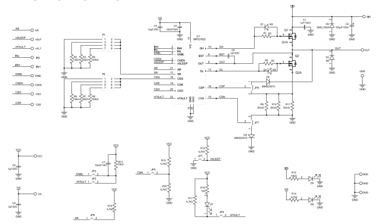
Monolithic Power Systems (MPS) EVQ1922 Evaluation Board
Monolithic Power Systems (MPS) EVQ1922 Evaluation Board drives two N-channel power MOSFETs in a half-bridge configuration and operates on power supplies up to 100V. This Evaluation Board is designed to demonstrate the performance of MPQ1922, a half-bridge gate driver. The MPQ1922 generates an adaptive Dead Time (DT) by monitoring the gate driver output voltages to prevent shoot-through in the output MOSFETs. Typical applications include automotive pumps, fans, superchargers and actuators, power drills, e-bikes, and motor driver applications.Features
- Supports 100V supply operation
- 3A source, 4A sink gate driver current
- Internal charge pump and auto-refresh for High-Side (HS) gate driver
- Integrated current-sense amplifier
- Low-power sleep mode
- Configurable, controlled slew rate
- Desaturation protection for external MOSFETs
- Thermal shutdown
- Under-Voltage Lockout (UVLO) protection
- Fault indication output
- Thermally enhanced surface-mount package
- Available in a QFN-22 (4mm x 5mm) package
- Available in a wettable flank package
- Available in AEC-Q100 grade 1
Applications
- Brushless DC (BLDC) motor and Permanent Magnet Synchronous Motor (PMSM) drives
- High-current brushed DC motor drives
- Automotive pumps, fans, superchargers, and actuators
- Power drills
- E-bikes
Evaluation Board Schematic
發佈日期: 2022-06-03
| 更新日期: 2022-06-10
