Monolithic Power Systems (MPS) MP5099 Dual-Channel Current-Limit Switches
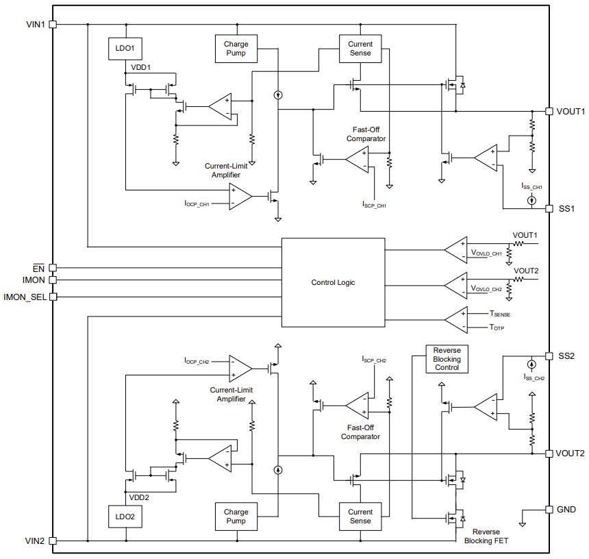
Monolithic Power Systems (MPS) MP5099 Dual-Channel Current-Limit Switches are protection devices designed to protect circuitry on the output from transients on the input. These switches also prevent undesired shorts at the input and transients from the output. The MP5099 current limit switches feature an integrated 5V/12V input dual E-fuse, configurable Soft-Start time (tSS), Over-Current Protection in hiccup mode, and latch-off thermal shutdown. These switches limit the inrush current at start-up with the help of the slew rate at the output. The maximum load at the output is current-limited, and the current limit magnitude is internally fixed. The MP5099 current limit switches' output voltage is limited by the Over-Voltage Protection (OVP) function, and the output current of each rail can be monitored by a resistor connected to the IMON pins. These current limit switches are available in a 2mm x 3mm TQFN-10 package and operate within the -40°C to 125°C temperature range. The MP5099 current limit switches are ideal for Hard Disk Drives (HHDs), Solid-State Drives (SSDs), and hot-swap applications.Features
- Integrated 5V/12V input dual E-fuse
- Up to 24V/100ms maximum input voltage (VIN) surge tolerance for 12V VIN channel
- Up to 16V/100ms maximum VIN surge tolerance for 5V VIN channel
- Integrated, dual-channel current limit switch
- Low 40mΩ ON Resistance (RDS(ON)) for 12V VBUS and 5V VBUS current limit switch
- 150μA typical low Quiescent current (IQ) for 12V VIN channel and 130μA low IQ for 5V VIN channel
- Configurable Soft-Start time (tSS)
- Fixed 4A trip and 2.95A hold current limit for 12V VIN channel
- Fixed 3A trip and 2.2A hold current limit for 5V VIN channel
- Reverse current protection for 5V VIN channel
- 5.7V typical Over-Voltage Protection (OVP) threshold for 5V VIN channel
- 15V typical OVP threshold for 12V VIN channel
- Over-Current Protection (OCP) in hiccup mode
- Latch-Off thermal shutdown
- Available in a TQFN-10 (2mm x 3mm) package
Applications
- Hard Disk Drives (HHDs)
- Solid-State Drives (SSDs)
- Hot-swap applications
Block Diagram
Typical Application Circuit
發佈日期: 2024-06-03
| 更新日期: 2025-02-03
