Monolithic Power Systems (MPS) MP5990 Fully Integrated Hot-Swap Solutions

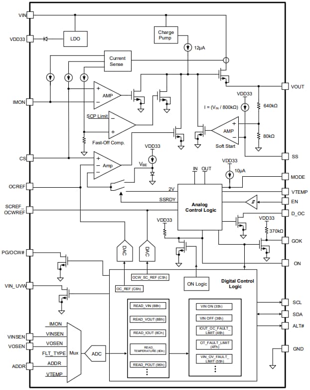
Monolithic Power Systems (MPS) MP5990 Fully Integrated Hot-Swap Solutions consist of a hot-swap controller and a High-Side power MOSFET (HS-FET), which operate as a standalone device. These devices achieve up to 50A of continuous output current (IOUT) per device at room temperature and up to 60A of continuous IOUT with airflow. The MP5990 hot-swap solutions limit the backplane voltage drop by limiting the inrush current to the load. These devices feature an integrated current mirror to monitor IOUT and integrated on-die temperature-sensing. The MP5990 hot-swap solutions detect power MOSFET gate, source, and drain short conditions.

The MP5990 hot-swap solutions provide rich fault protections such as Over-Voltage Protection (OVP), Over-Current Protection (OCP), Short-Circuit Protection (SCP), and Over-Temperature Protection (OTP). These hot-swap solutions feature Under-Voltage Warning (UVW), output over-current warning (D_OC), and Power Good (PG) indications. The MP5990 hot-swap solutions monitor and report fault statuses through the PMBus interface. These hot-swap solutions are available in an LGA-45 (5mm x 7mm) package. Typical applications include hot swaps, PC cards, disk drives, servers 5G telecom, networking, and laptops.

Features

  • 4V to 16V operating input voltage (VIN) range 
  • 50A maximum output current (IOUT)
  • Supports 60A of IOUT with airflow
  • 1mΩ integrated power MOSFET
  • PMBus/I2C 1.3 compatible
  • ±1% IMON reporting accuracy
  • Built-in MOSFET driver
  • Integrated current-sense with sense output
  • Configurable over-current limit
  • Configurable short-circuit current limit
  • Built-in insertion delay
  • Configurable Soft Start (SS)
  • Built-in fuse health reporting
  • Fault signal output (GOK)
  • Power Good (PG) indications
  • VIN Under-Voltage Warning (UVW)
  • Fault Type indications (FLT_TYPE)
  • Faults auto-record to the NVM
  • VIN OVP, SCP, OCP, and OTP with options for no action, latch, retry, or hiccup mode
  • Intelli-fuse junction temperature monitoring
  • Intelli-fuse controller
  • Built-in NVM to store custom configurations
  • High precision EIN, PIN, POUT, and IOUT reporting
  • Configurable TON_DELAY and TOFF_DELAY
  • NVM write protection
  • Available in an LGA-45 (5mm x 7mm) package

Applications

  • Hot Swaps
  • PC Cards
  • Disk Drives
  • Servers
  • 5G Telecom
  • Networking
  • Laptops

Typical Application Circuits

Block Diagram

Block Diagram - Monolithic Power Systems (MPS) MP5990 Fully Integrated Hot-Swap Solutions

Videos

發佈日期: 2024-06-26 | 更新日期: 2025-02-24