Monolithic Power Systems (MPS) MPQ4241 USB Power Delivery PMICs

Monolithic Power Systems (MPS) MPQ4241 USB Power Delivery (PD) PMICs are fully integrated power solutions designed for USB Type‑C® ports, combining a high‑performance buck converter with integrated power switches and an onboard USB PD controller. MPQ4241 delivers up to 65 W of continuous output power across a wide input voltage range, maintaining exceptional line and load regulation throughout operation.

Engineered with precision CC over‑current protection (OCP), the MPS MPQ4241 supports both modern USB Type‑C ports and legacy USB Type‑A interfaces. The USB Type‑C port complies with USB PD Revision 3.1, including programmable power supply (PPS) capability, and remains backward‑compatible with common charging protocols such as BC1.2 DCP, 3A divider mode, and 1.2V/1.2V mode, all without requiring user intervention. These PMICs also support QC4+ and Huawei FCP fast‑charging schemes.

The devices incorporate a configurable USB PD power‑management state machine that optimizes system behavior during low‑battery conditions or thermal events. In dual‑port designs using two MPQ4241 devices, the built‑in power‑sharing logic intelligently distributes total available power across both PD ports.

Comprehensive protection features include fixed power delivery object (PDO) OCP, DP/DM/CCx over‑voltage protection (OVP), output OVP, and thermal shutdown. The MPS MPQ4241 is designed for simplicity, requiring only a minimal set of standard external components. The MPQ4241 is offered in a compact 3mm × 4mm QFN‑21 package with wettable flanks and meets AEC‑Q100 Grade 1 automotive qualification.

Features

  • Integrated, high-efficiency buck converter and provider-only PD controller
  • Wide 4.5V to 24V operating input range
  • 36V tolerant input voltage (VIN)
  • 3.3V to 21V output voltage (VOUT) range
  • Up to 21V/65W output power (POUT)
  • Accurate internal output CC current limit
  • Integrated buck converter with internal 30mΩ/18mΩ low on resistance [RDS(ON)] MOSFETs
  • Supports low-dropout (LDO) mode with 99.6% duty cycle
  • Low quiescent current (IQ) when USB Type-C is detached
  • 250kHz, 420kHz, and 2.2MHz switching frequencies (fSW) with dithering
  • Supports fSW synchronization
  • Supports USB Type-C V2.1
  • Supports USB PD R3.1 and PPS
  • Supports QC4+ specification, Huawei FCP
  • Supports USB 3.1 hub applications
  • Supports DCP schemes for BC1.2, 3A divider mode, and 1.2V/1.2V mode
  • CC/DP/DM short-to-VBUS (14V) protection
  • I2C interface
  • Integrated 1W VCONN switch
  • Output line-drop compensation
  • Output OVP
  • FCCM or auto PFM/PWM operation
  • Automatic power derating during high temperatures
  • Automatic power derating at low battery voltage (VBATT)
  • Moisture Sensitivity Level (MSL) 1
  • Available in a QFN-21 (3mm x 4mm) package with wettable flanks
  • Available in AEC-Q100 Grade 1
  • Lead-free, Halogen-free, and RoHS-compliant

Applications

  • USB power supplies
  • USB PD ports

Specifications

  • 4.5V to 24V operating supply voltage range
  • 36V maximum tolerant VIN
  • 3.3V to 21V operating output voltage range
  • 5A or 65W operating output current
  • 5.89W maximum continuous power dissipation
  • Supply current
    • 80μA maximum shutdown
    • 200μA maximum standby
    • 4mA typical quiescent
  • -40°C to +150°C operating junction temperature range
  • +260°C maximum lead temperature
  • ESD ratings
    • ±2kV human body model (HBM)
    • ±750V charged-device model (CDM)
  • 9°C/W to 44°C/W thermal resistance range

Typical Application

Application Circuit Diagram - Monolithic Power Systems (MPS) MPQ4241 USB Power Delivery PMICs

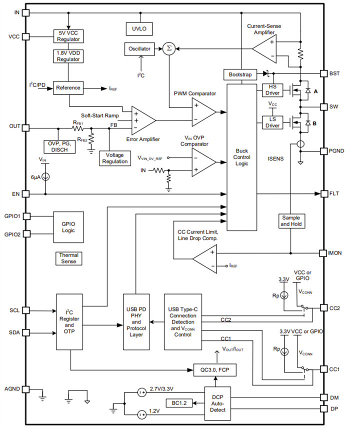
Functional Block Diagram

Block Diagram - Monolithic Power Systems (MPS) MPQ4241 USB Power Delivery PMICs
發佈日期: 2026-02-04 | 更新日期: 2026-02-06