Murata Electronics MRS Magnetic Sensors
Murata Electronics MRS Magnetic Sensors offer a 3.5V to 30V supply voltage range, 10KΩ load resistance, and -40°C to +80°C or +85°C temperature range. The Murata MRSS29DR-001 sensor provides a 1mA current consumption, while the MRSS29E sensor has a maximum 1.5µA current consumption rating.Specifications
- Current Consumption
- 1mA for MRSS29DR-001 sensor
- 1.5µA maximum rating for MRSS29E sensor
- Operating Temperature Range
- -40°C to +80°C for MRSS29DR-001 sensor
- -40°C to +85°C for MRSS29E sensor
- 3.5V to 30V supply voltage rating
- 0.3V to 0.5V low level output voltage
- 11V to 11.4V high level output voltage
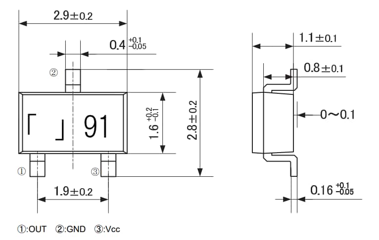
MRSS29DR-001 Dimensions & Schematics
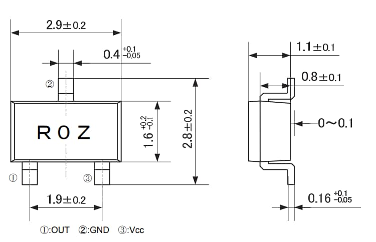
MRSS29E Dimensions & Schematics
發佈日期: 2021-03-18
| 更新日期: 2022-03-11
