Murata Power Solutions PE24108 Two-Stage Buck Regulator
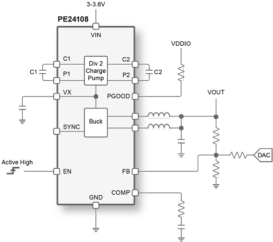
Murata Power Solutions PE24108 Two-Stage Buck Regulator delivers 10A per stage output current from an input voltage range from 3V to 3.6V. The output voltage is selected with external feedback resistors and can be adjusted from 0.4 to 1V. This compact, low-profile step-down DC-DC converter solution features proprietary architecture for superior efficiency of 92%. The module consists of a two-phase interleaved charge pump followed by an interleaved buck regulator stage. This FlexiBK™ power system significantly lowers the dependency on inductance for high-efficiency solutions in height-constrained applications with a small footprint. Murata Power Solutions PE24108 Two-Stage Buck Regulator is ideal for point-of-load (PoL) regulators, optical modules, core supplies, application-specific integrated circuits (ASICs), and field-programmable gate arrays (FPGAs).Features
- Proprietary architecture enables superior efficiency with ultra-low profile and footprint
- 92% peak efficiency
- Wide input voltage range of 3V to 3.6V supports running off a nominal 3.3V bus supply
- Output voltage set by external feedback resistors
- Output voltage regulation accuracy better than ±1% for all line and load variations
- Output can be adjusted by external AVS DAC
- External sync pin allows synchronization to external clock
- Parallel up to 4 devices
Applications
- Low-profile PoL regulators
- Optical modules
- ASICs
- FPGAs
- Core supplies
Efficiency
Block Diagram
Simplified Application
發佈日期: 2024-02-12
| 更新日期: 2024-02-19
