Nisshinbo R5436電池保護IC

Nisshinbo R5436電池保護IC是具備防過充、防過放電和防過電流的IC,適用於鋰離子/鋰聚合物二次電池。這些IC能透過串接連接,保護6節或更多節串聯的充電式電池組。R5436電池保護IC提供電池芯平衡功能,可等化電池芯之間的不平衡。這些IC亦提供開路線路偵測功能,可偵測電池和電路板之間的線路中斷。這些電池保護IC具有耐高壓處理、低供電電流、高精準度電壓偵測和零電壓充電功能。其典型應用包括電動工具和電動腳踏車的鋰離子/鋰聚合物電池保護。

特點

  • 耐高壓處理
  • 低供電電流
  • 高精準度電壓偵測
  • 每次偵測延遲時間
  • 零電壓充電
  • 電壓釋放類型:
    • 過充釋放電壓條件
  • 閂鎖型/電壓釋放類型:
    • 過放電釋放電壓條件
  • 3至5電池芯可選電池保護
  • 延遲時間縮短功能
  • 外部NTC溫度保護功能

應用

  • 適用的鋰離子/鋰聚合物電池保護:
    • 電動工具
    • 電動腳踏車

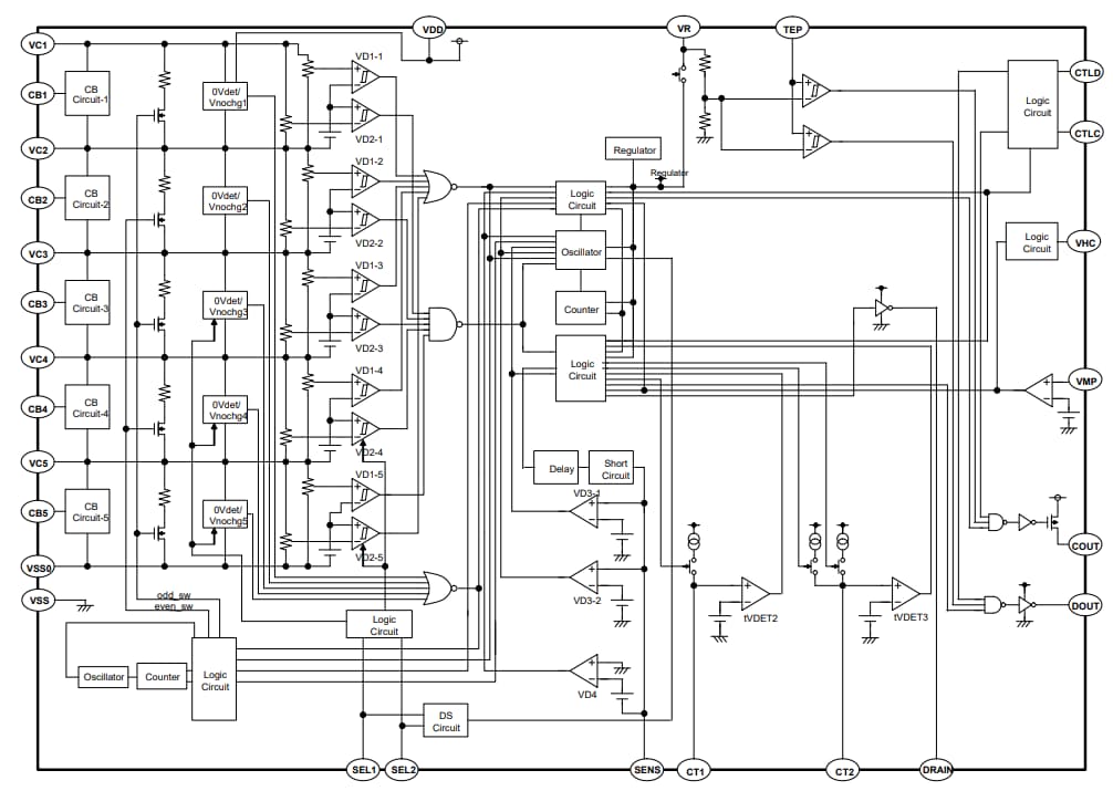
方塊圖

結構圖 - Nisshinbo R5436電池保護IC

封裝尺寸 (mm)

機械製圖 - Nisshinbo R5436電池保護IC
發佈日期: 2021-01-24 | 更新日期: 2022-09-06