Nisshinbo NJM2761 Audio Limiter
Nisshinbo NJM2761 Audio Limiter is designed for speaker protection. The NJM2761 Audio Limiter features a wide operating voltage range of 2.7V to 13.0V. The variable limit level by an external resistor is 0.2V to 1.0V. The Nisshinbo NJM2761 Audio Limiter is ideal for PC, portable audio, and speaker applications.Features
- +2.7V to +13.0V wide operating voltage
- 0.2V to 1.0V variable limit level by external resistor
- -90dBV max low output noise
- Bipolar technology
- TVSP10 and SSOP14 package options
Applications
- PC
- Portable audio
- Speakers
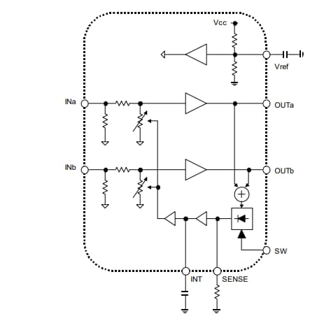
Block Diagram
發佈日期: 2020-12-21
| 更新日期: 2024-04-24
