NXP Semiconductors GD3160先進閘極驅動器能直接利用高效能開關、低動態導通電阻和軌到軌閘極電壓控制來驅動SiC MOSFET和IGBT閘極。
GD3160可自主管理故障,透過INTA和INTB腳位以及SPI介面回報功率裝置和閘極驅動器的狀態。GD3160包含用於設計高可靠性系統(ASIL C/D)的自我測試、控制和保護功能,可滿足汽車應用的嚴格要求,完全符合AEC-Q100 Grade 1標準。
特點
- 整合電流訊號隔離(高達8kV)
- 整合15A源極/汲極能力的高閘極電流
- 用於安全監控、設定和診斷報告的SPI介面
- 支援高達100kHz的PWM高切換頻率
- LV和HV域的失效安全狀態管理,進入使用者可選擇的安全狀態
- 在擴展範圍內的可程式閘極電壓穩壓器
- 與NTC和PTC熱敏電阻相容的溫度感測
- 專為保護SiC和IGBT經過最佳化的可設定去飽和與電流感測
- 整合軟關機、兩級關閉,專為SiC獨特的閘極驅動要求最佳化
- 透過INTA腳位進行即時VCE和VGE監控
- 整合ADC,用於監控HV域參數
- CMTI > 100V/ns
- 相容200V至1700V IGBT/SiC,功率範圍 > 125 kW
- 作業溫度範圍−40°C至125°C
- 外部漏電距離(CPG) > 7.8mm
- 提供3.3V或5.0V I/O邏輯介面版本
- 輕巧的封裝尺寸(8mm x 13mm) 32腳位SOIC
- 安全和法規認證
- 符合DIN V VDE V 0884-10強化隔離
- 符合UL 1577,可承受5000V rms(1分鐘)隔離
- CSA元件認可通知5A
- 符合AEC-Q100 Grade 1汽車級認證
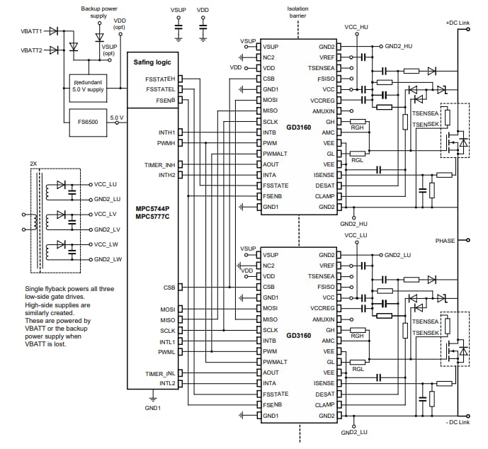
簡化應用圖
發佈日期: 2022-06-01
| 更新日期: 2024-06-10
