NXP Semiconductors P3A9606 2-Channel Voltage Level Translator
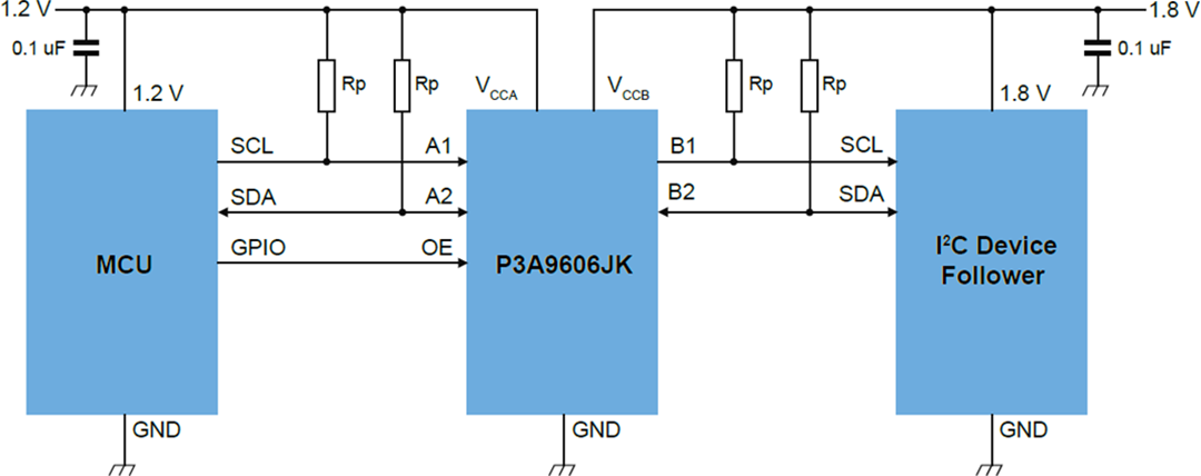
NXP Semiconductors P3A9606 2-Channel Voltage Level Translator is a 2-bit, dual-supply translating transceiver with auto direction sensing. The P3A9606 is designed to enable bidirectional voltage level translation for traditional I2C-bus/SMBus and 12.5MHz I3C-bus applications. High-speed SPI applications are also supported when two devices are used.The P3A9606 features two 1-bit input-output ports (An and Bn), one Output Enable input (OE), and two supply pins (VCCA and VCCB). Both VCCA and VCCB can be supplied at any voltage between 0.72V and 1.98V, making the device suitable for translating between low voltage nodes (0.8V, 1.2V, and 1.8V). VCCA must be ≤ VCCB to ensure proper operation.
The NXP Semiconductors P3A9606 Low Voltage Translator is available in a compact 1.35mm x 1.0mm X2SON8 with a wide -40°C to +125°C operating temperature range.
Features
- Wide supply voltage range
- VCCA: 0.72V to 1.98V
- VCCB: 0.72V to 1.98V
- VCCA ≤ VCCB
- Inputs accept voltages up to 1.98V
- Overvoltage tolerant to 1.98V
- Provides voltage level translation for I3C, I2C-bus, SMBus, and SPI devices
- IOFF circuitry provides partial Power-Down mode operation
- ESD protection
- HBM JESD22-A114E Class 2 exceeds 2000V
- CDM JESD22-C101E exceeds 1000V
- Latch-up performance exceeds 100mA per JESD 78B Class II
- -40°C to +125°C operating temperature range
- 1.35mm x 1.0mm x 0.32mm X2SON8 package; 0.35mm pitch
Applications
- I3C Bus, I2C-bus, and SPI level translation
- Servers
- Notebooks and tablets
- Smartphones
Resources
Videos
Block Diagram
I3C Application Circuit
I2C Application Circuit
SPI Application Circuit
發佈日期: 2021-08-09
| 更新日期: 2022-03-11
